EasyManua.ls Logo

BENSON 30 - Page 36

BENSON 30
60 pages
Print Icon
To Next Page IconTo Next Page
To Next Page IconTo Next Page
To Previous Page IconTo Previous Page
To Previous Page IconTo Previous Page
Loading...
Doc No. 20-45-159 Page 36 of 60
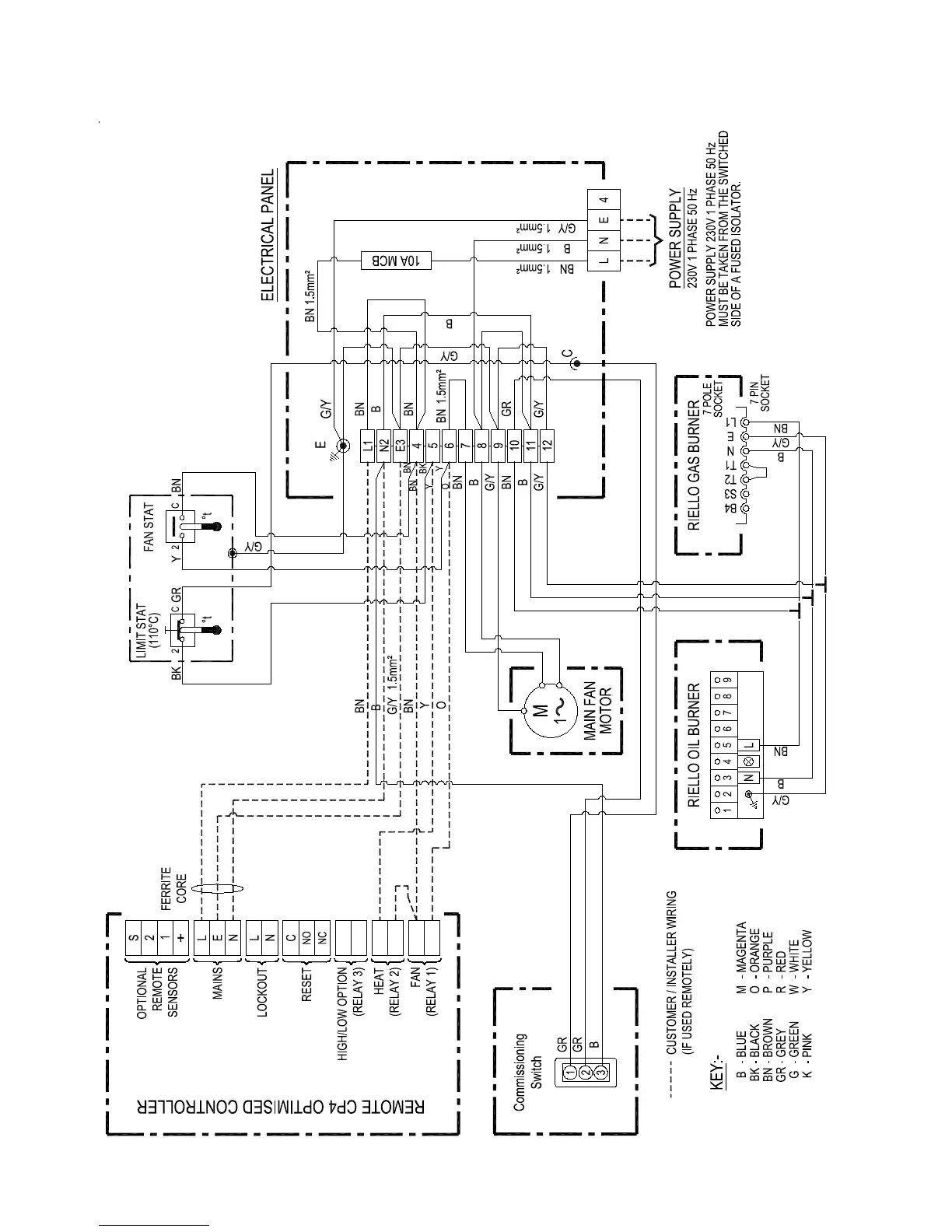
Wiring Diagram 20-45-620
30 - 40 ON/OFF Riello Burner Remote CP4 230/50/1ph

Related product manuals