EasyManua.ls Logo

BENSON 30 - Page 42

BENSON 30
60 pages
Print Icon
To Next Page IconTo Next Page
To Next Page IconTo Next Page
To Previous Page IconTo Previous Page
To Previous Page IconTo Previous Page
Loading...
Doc No. 20-45-159 Page 42 of 60
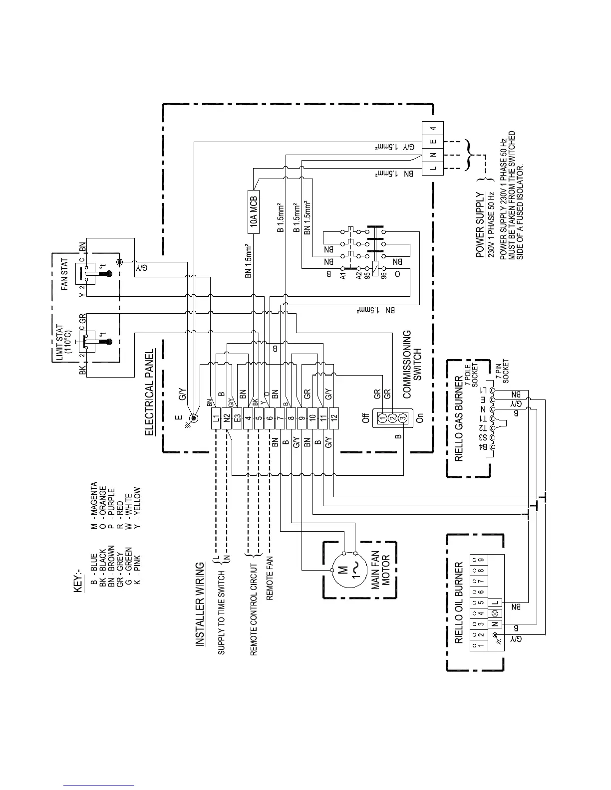
Wiring Diagram 20-45-614
120 - 135 ON/OFF Riello Burner No Controls 230/50/1ph

Related product manuals