EasyManua.ls Logo

Bernard Controls AQ10 - Page 33

Default Icon
36 pages
Print Icon
To Next Page IconTo Next Page
To Next Page IconTo Next Page
To Previous Page IconTo Previous Page
To Previous Page IconTo Previous Page
Loading...
English
33
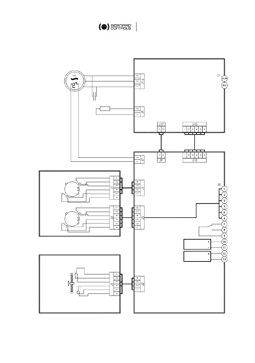
11.2.2 Single phase supply diagram
M1
H
A
C
D
S1
S2
S3
S4
S1
S2
RD
PT
AI
B

Related product manuals