EasyManua.ls Logo

Bertazzoni FD30CON - Page 14

Bertazzoni FD30CON
49 pages
Print Icon
To Next Page IconTo Next Page
To Next Page IconTo Next Page
To Previous Page IconTo Previous Page
To Previous Page IconTo Previous Page
Loading...
14
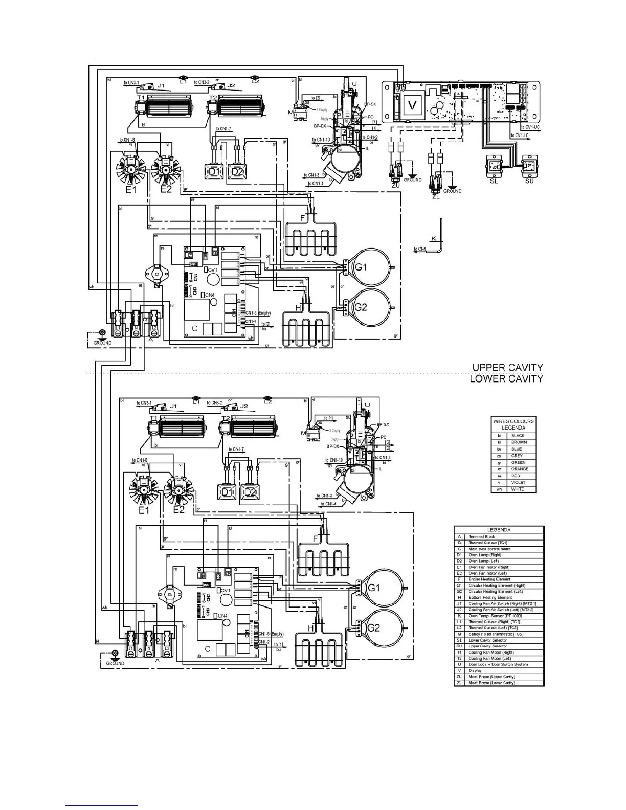
WIRING DIAGRAM
Models: FD30CONXE - FD30CONXT

Related product manuals