EasyManua.ls Logo

Bertolini C300 Series - Page 13

Bertolini C300 Series
Print Icon
To Next Page IconTo Next Page
To Next Page IconTo Next Page
To Previous Page IconTo Previous Page
To Previous Page IconTo Previous Page
Loading...
13
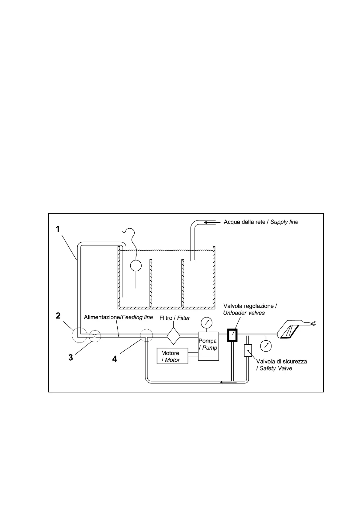
1) Livellostato; 11) Valvola di regolazione o
2) Termostato; depressurizzatrice;
3) Capacità minima cisterna: 12) By-pass valvola regolazione;
portata pompaX4; 13) Mandata;
4) Paratie chiuse sul fondo; 14) Manometro;
5) Linea di aspirazione pompa 15) Accumulatore di pressione;
passaggio minimo Ø47 per C3006 16) Linea di by-pass;
passaggio minimo Ø33per CK3003; 17) Alimentazione cisterna
6) Filtro in aspirazione; 18) Rubinetto annullo pressione
7) Pressostato/manometro controllo per avvio pompa
alimentazione; 3/4” per pompe CK 3003
8) Collettore aspirazione con 1” per pompe C 3006
passaggio minimo Ø33; 19) Passaggio minimo Ø25
9) Valvola di sicurezza; 20) Passaggio minimo Ø18
10) By-pass valvola di sicurezza
4.5 ERRORI DA EVITARE
1) Evitare per non ottenere un effetto “sifone”;
2) Evitare gomiti a 90°;
3) Evitare riduzioni di diametro;
4) Non collegare mai la linea di by-pass con ritorno in alimentazione.

Related product manuals