EasyManua.ls Logo

Binks HP 4/32 - Page 39

Binks HP 4/32
45 pages
Print Icon
To Next Page IconTo Next Page
To Next Page IconTo Next Page
To Previous Page IconTo Previous Page
To Previous Page IconTo Previous Page
Loading...
39
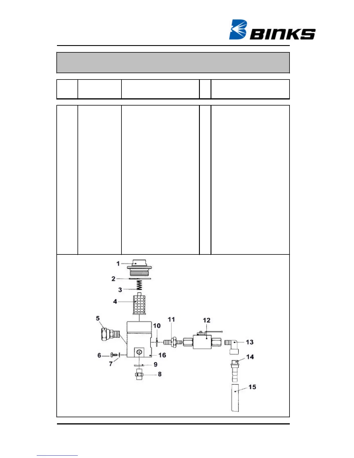
Ersatzteilliste / spare parts list
Ersatzteile HD - Filter / spare parts HP - filter Type 01
(nur Behälter-Version / only container version)
Pos.
Art.-Nr.
Bezeichnung
Stk.
Description
pcs.
0114-013525
HD-Filter Typ 01
high pressure filter type 01
1
0114-013725
Anzugmutter
1
retaining cap
2
0114-013841
O-Ring
1
o-ring
3
0114-014033
Feder
1
spring
4
0114-014916
HD-Sieb 30 M Kunststoff blau
1
filter insert 30 mesh blue
0114-014887
HD-Sieb 50 M Kunststoff orange
1
filter insert 50 mesh orange
0114-014876
HD-Sieb 70 M Kunststoff gelb
1
filter insert 70 mesh yellow
0114-014875
HD-Sieb 100 M Kunststoff schwarz*
1
filler insert 100 mesh black*
0114-014877
HD-Sieb 150 M Kunststoff rot
1
filler insert 150 mesh red
0114-014878
HD-Sieb 200 M Kunststoff weiss
1
filler insert 200 mesh white
5
0114-013597
Anschlußnippel
1
connecting nipple
6
0114-014166
Schraube
1
screw
7
0114-009743
Federring
2
spring ring
8
0114-013730
Doppelnippel
1
male adaptor
9
0114-009908
CU-Dichtung
1
cu-gasket
10
0114-013952
Dichtung
1
gasket
11
0114-013855
Reduziernippel
1
reducing nipple
12
0114-014087
Kugelhahn
1
high pressure valve
13
0114-020027
Winkel
1
elbow
14
0114-019985
Schlauchtülle
1
hose nozzles
15
0110-009103
Rücklaufschlauch
1
return flow hose
16
0114-013728
Gehäuse
1
housing
* Standard
Vorbehaltl. Techn. Änderungen

Related product manuals