EasyManua.ls Logo

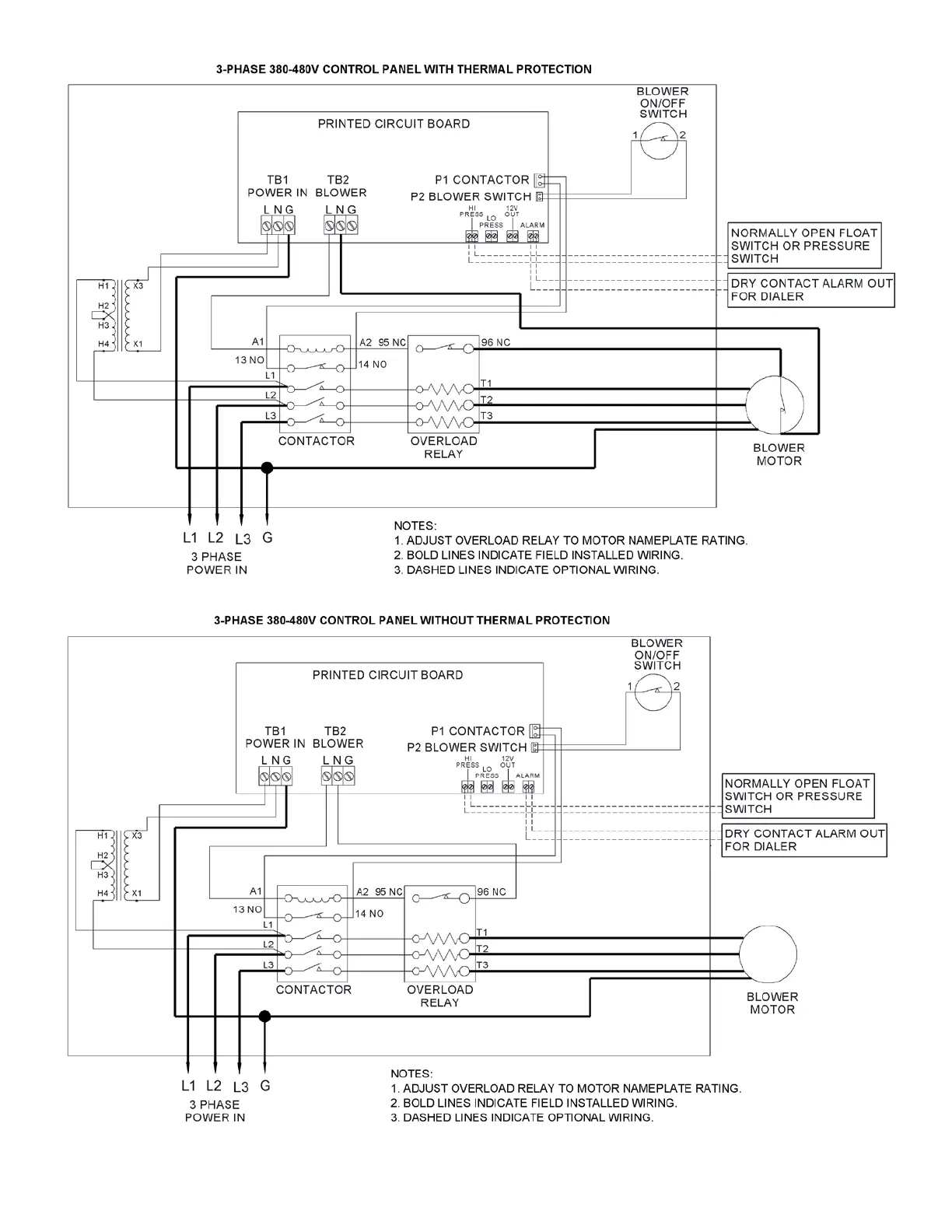
BIO-MICROBICS MicroFAST 0.5 - 3-Phase 380-480 V Panel Schematic (Thermal Protection); 3-Phase 380-480 V Panel Schematic (No Thermal Protection)

Default Icon
30 pages
Print Icon
To Next Page IconTo Next Page
To Next Page IconTo Next Page
To Previous Page IconTo Previous Page
To Previous Page IconTo Previous Page
Loading...
24
Please refer to side of shipping box for correct Blower.

Other manuals for BIO-MICROBICS MicroFAST 0.5

Related product manuals