EasyManua.ls Logo

Biodom 33 - Page 53

Biodom 33
61 pages
Print Icon
To Next Page IconTo Next Page
To Next Page IconTo Next Page
To Previous Page IconTo Previous Page
To Previous Page IconTo Previous Page
Loading...
Biodom 33
Biodom 33Biodom 33
Biodom 33
|
| |
| instructions for use, maintenance and installation | version 1.0 July 2017
53
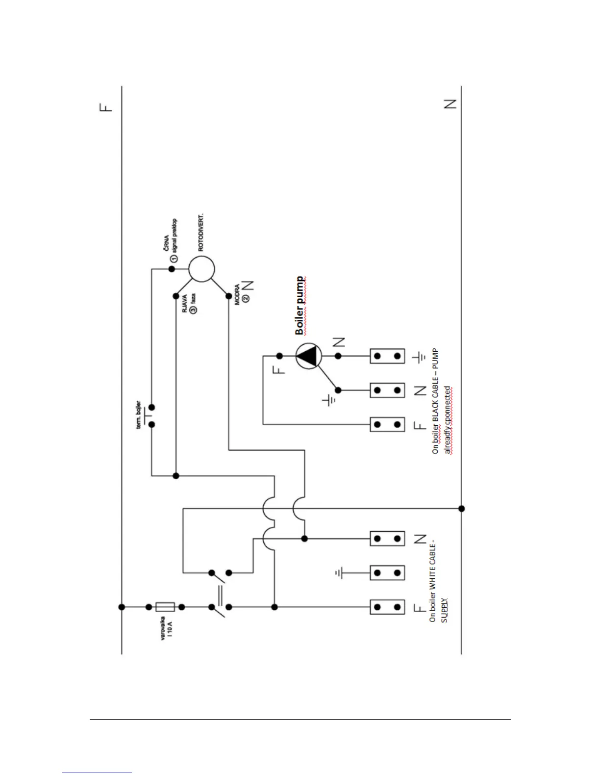
Electrical scheme 2

Related product manuals