EasyManua.ls Logo

Biodom 33 - Scheme Nr.2: System with Radiator Thermostat Valves and with Boiler

Biodom 33
61 pages
Print Icon
To Next Page IconTo Next Page
To Next Page IconTo Next Page
To Previous Page IconTo Previous Page
To Previous Page IconTo Previous Page
Loading...
Biodom 33
Biodom 33Biodom 33
Biodom 33
|
| |
| instructions for use, maintenance and installation | version 1.0 July 2017
52
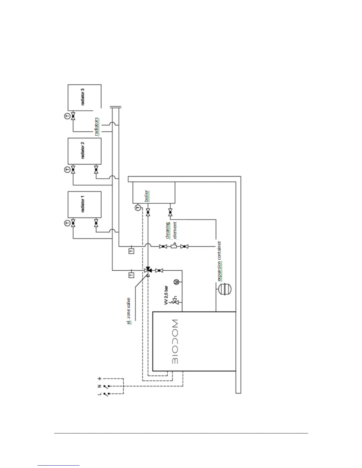
18.2. SCHEME NR.2: SYSTEM WITH RADIATOR THERMOSTAT VALVES AND WITH
BOILER
The room thermostat
is not required.
The boiler
has priority over
heating,
Connection scheme 2

Related product manuals