EasyManua.ls Logo

BIRO F2000N - Page 20

BIRO F2000N
36 pages
Print Icon
To Next Page IconTo Next Page
To Next Page IconTo Next Page
To Previous Page IconTo Previous Page
To Previous Page IconTo Previous Page
Loading...
21100
21200
21300
G305
20500
20300
20301
20400
20200
20600
20700
20801
20900
21000
25700
20000 - 20002 - 20003 - 20004
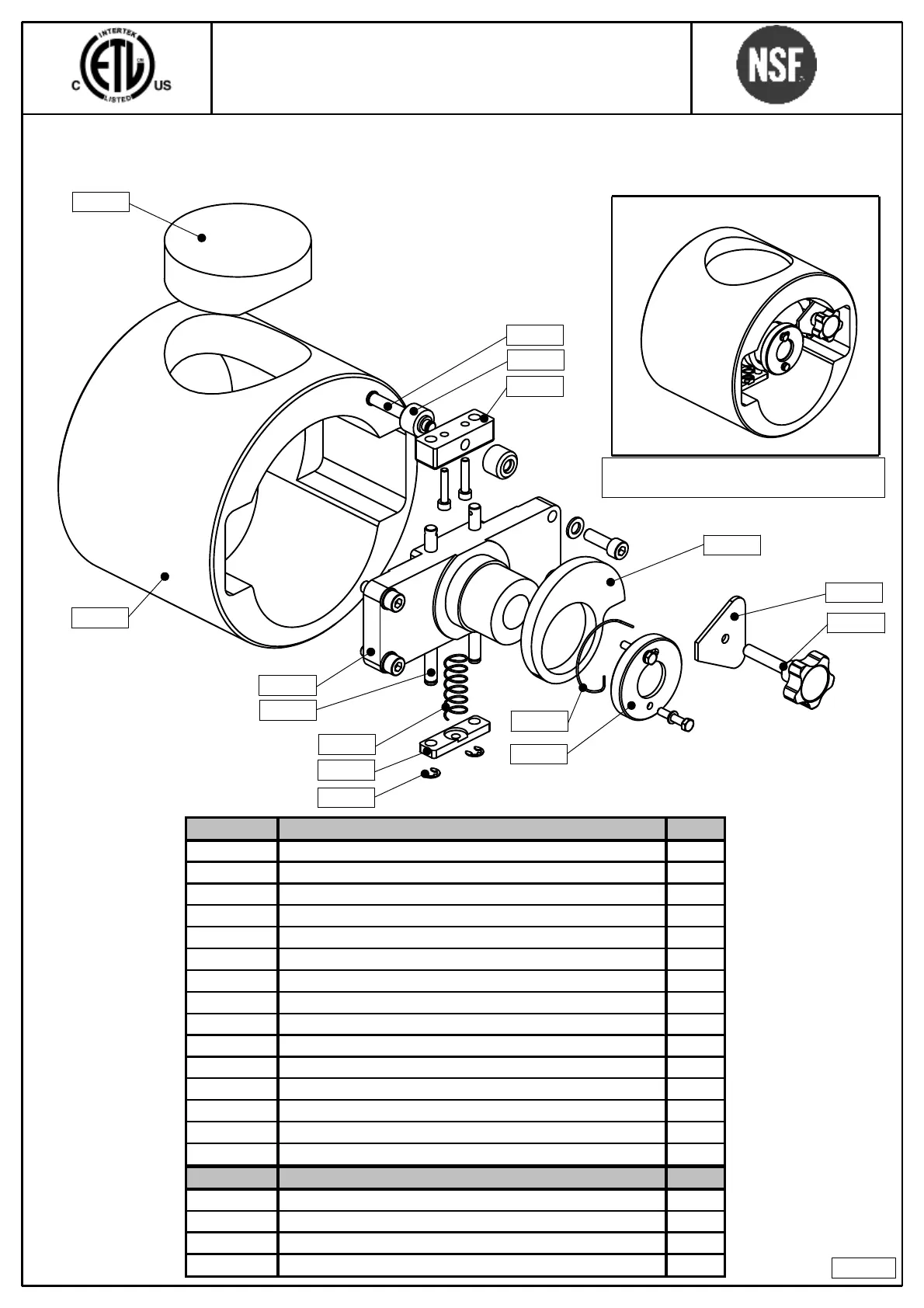
Complete Assembly
PAG-5
ABM
F2000N - F3000N - F4000N - B1200N
NSF / ETL VERSION
CODE DESCRIPTION Q.TY
F9320200 ALLUMINIUM FRAME 1
F932030
0 PLASTIC DRUM 1
F9320301 PUSHER - 1
F9320400 PLATE SUPPORT 1
F9320500 GUIDE PLATE 1
F9320600 PUSHER SHAFT 2
F9320700 PIN 8X56,5 1
F9320801 PLASTIC BEARING d.14,5 2
F9320900 PUSHER SPRING 1
F9321000 LOCKING MECHANISM 1
F9321100 LOCKING MECHANISM SPRING 1
F9321200 THICKNESS CAM 1
F9321300 LOCKING THICKNESS MECHANISM 1
G305 PLASTIC KNOB - D3 6G 1
F9325700 RING . d 8 UNI 7435 2
CODE COMPLETE ASSEMBLY Q.TY
F9320000 DRUM SINGLE SHAPE ON REQUEST 1
F9320002 DRUM DOUBLE SHAPE ON REQUEST 1
F9320003 DRUM FOUR SHAPE ON REQUEST 1
F9320004 DRUM COOKIE ALLU - SHAPE ON REQUEST 1

Related product manuals