EasyManua.ls Logo

Bitzer HS 53 - English; 15 2.6 Oil Cooling

Bitzer HS 53
96 pages
Print Icon
To Next Page IconTo Next Page
To Next Page IconTo Next Page
To Previous Page IconTo Previous Page
To Previous Page IconTo Previous Page
Loading...
Thermosiphon oil cooling
(cooling by refrigerant)
Thermosiphon oil cooling is based on
the principle of gravity circulation of
refrigerant on the high-pressure side.
This method is independent of other
coolants such as water or air.
Therefore, it can be used universally,
provided that a sufficient height differ-
ence between condenser and oil cool-
er can be ensured.
For oil cooling, refrigerant is drawn
from the liquid receiver (or a primary
receiver) and fed directly into the oil
cooler mounted in a lower location.
Whilst absorbing heat in the counter-
flow with the hot oil, part of the liquid
refrigerant is evaporated. In the form
of a two-phase mixture, it then flows
back to the condenser inlet, either
Refroidissement d’huile par thermo-
siphon (refroid. par fluide frigorigène)
Le refroidissement d'huile par thermosi-
phon repose sur le principe de la circula-
tion par gravité du fluide frigorigène sur le
côté de haute pression. Cette méthode
est indépendante d'autres fluides calopor-
teurs (tels que eau ou air). De ce fait, elle
est utilisable de façon universelle, sous
réserve qu'une différence de niveau suffi-
sante entre condenseur et refroidisseur
d'huile puisse être réalisée.
Pour réaliser le refroidissement d'huile,
du fluide frigorigène récupéré dans le
réservoir de liquide (ou d'un réservoir pri-
maire) alimente directement le refroidis-
seur d'huile placé plus bas. A contre-cou-
rant de l'huile chaude, une partie du flui-
de frigorigène liquide s'évapore sous l'ef-
fet de l'apport de chaleur. Ce mélange
Thermosiphon-Ölkühlung
(Kältemittel-Kühlung)
Thermosiphon-Ölkühlung basiert auf
dem Prinzip der Schwerkraft-Zirkula-
tion von Kältemittel auf der Hoch-
druckseite. Diese Methode ist unab-
hängig von anderen Kühlmedien (wie
Wasser oder Luft). Deshalb ist sie uni-
versell einsetzbar, sofern genügend
Höhendifferenz zwischen Verflüssiger
und Ölkühler realisiert werden kann.
Zur Ölkühlung wird Kältemittel aus
dem Flüssigkeitssammler (oder einem
Primärsammler) abgezweigt und di-
rekt in den tiefer angeordneten Ölküh-
ler eingespeist. Im Gegenstrom zum
heißen Öl verdampft ein Teil des flüs-
sigen Kältemittels unter Wärmeauf-
nahme. Es strömt als Zweiphasen-
Gemisch entweder direkt oder über
20 SH-100-3
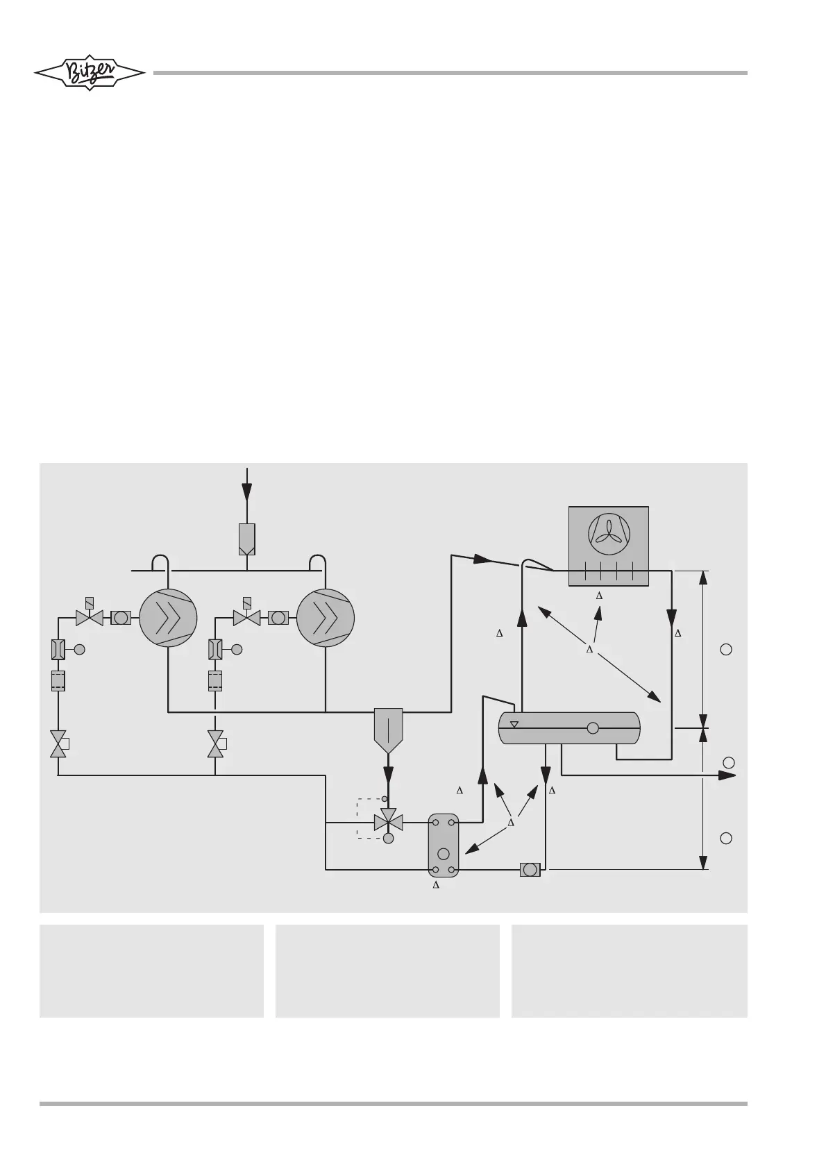
Abb. 10 Beispiel:
Thermosiphon-Ölkühlung
Kreislauf mit unterteilter Kältemit-
tel-Zirkulation
Fig. 10 Example:
Oil cooling by thermosiphon
Circuit with divided refrigerant
circulation
F Z
T C
F Z
P
c o n d
P
R L 2
P
l i q 2
P
l i q 1
P
R L 1
P
O C
P
P
H 2
H 1
2
1
3
4
4
Fig. 10 Exemple: Refroidissement d'huile par
thermosiphon
Circuit avec circulation du fluide frigori-
gène divisée
Horizontaler oder vertikaler Sammler
Flüssigkeitsleitung zu Verdampfer(n)
oder Hauptsammler
Ölkühler
H1, H2: Flüssigkeitssäule
Horizontal or vertical receiver
Liquid line to evaporator(s) or main
receiver
Oil cooler
H1, H2: Liquid head
Réservoir horizontal ou vertical
Conduite de liquide vers évaporateur(s) ou
vers réservoir principal
Refroidisseur d'huile
H1, H2: Colonne de liquide

Other manuals for Bitzer HS 53

Related product manuals