EasyManua.ls Logo

Bitzer HS 53 - Page 91

Bitzer HS 53
96 pages
Print Icon
To Next Page IconTo Next Page
To Next Page IconTo Next Page
To Previous Page IconTo Previous Page
To Previous Page IconTo Previous Page
Loading...
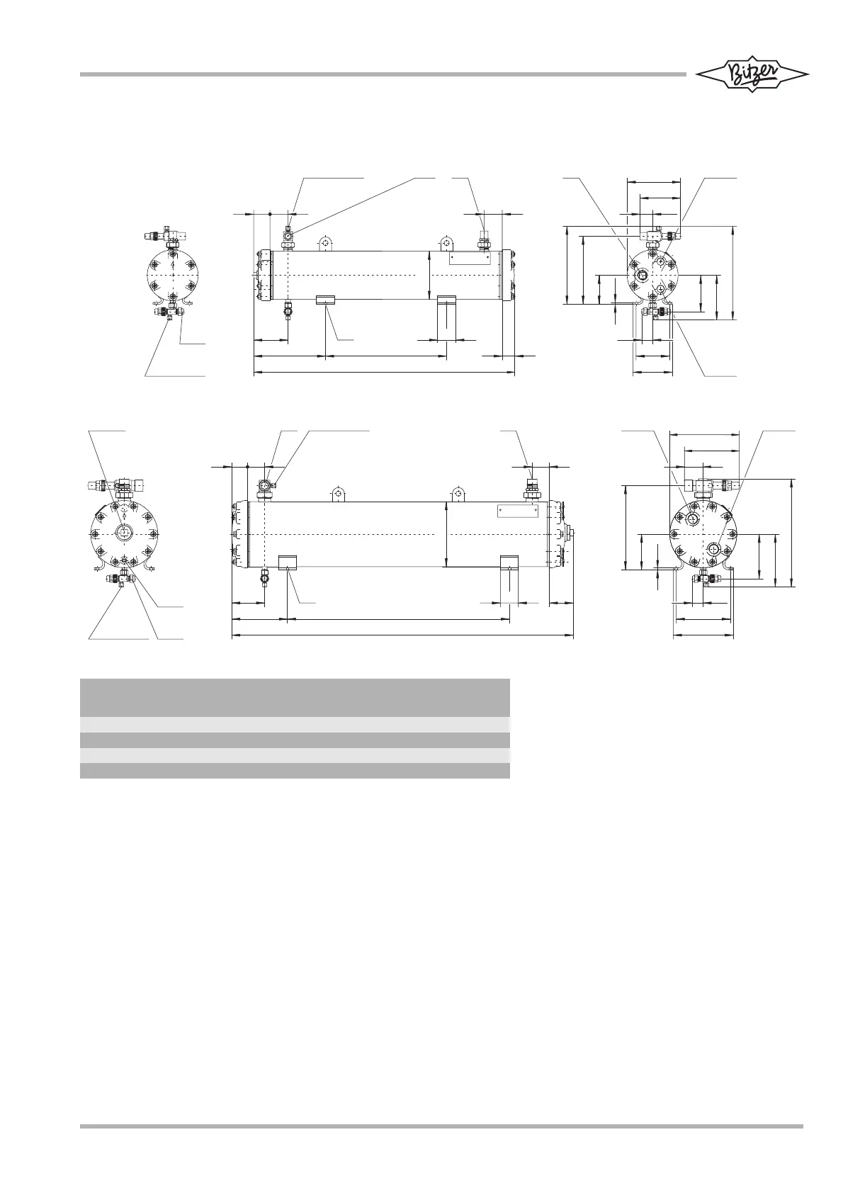
Maßzeichnungen
OW401 & OW501
OW781 & OW941
Anschluss-Positionen
1 Öl-Eintritt
2 Öl-Austritt
3 Kühlmedium-Eintritt
3a: 4- oder 6Pass
3b: 2- oder 3Pass
4 Kühlmedium-Austritt
4a: 4- oder 6Pass
4b: 2- oder 3Pass
5 Kühlmedium-Ablass
6 Manometer-Anschluss
7–
8–
9 Ölablass
Seewasser beständige Ölkühler auf
Anfrage.
Dimensional drawings
Connection positions
1 Oil inlet
2 Oil outlet
3 Cooling agent inlet
3a: 4 or 6 pass
3b: 2 or 3 pass
4 Cooling agent outlet
4a: 4 or 6 pass
4b: 2 or 3 pass
5 Cooling agent drain
6 Pressure gauge connection
7–
8–
9 Oil drain
Seawater resistant oil coolers upon
request.
Croquis cotés
Position des raccords
1 Entrée d'huile
2 Sortie d'huile
3 Entrée de fluide caloporteur
3a: 4 ou 6 pass
3b: 2 ou 3 pass
4 Sortie de fluide caloporteur
4a: 4 ou 6 pass
4b: 2 ou 3 pass
5 Vidange de fluide caloporteur
6 Raccord du manomètre
7–
8–
9 Vidange d'huile
Refroidisseurs d'huile en version marine
sur demande.
91SH-100-3
1 4 8
O U T
I N
6 05 4
1 1 4
6 0
Ø 9
4 2
L
H
A
6 0
6
2 5 7
2 2 4
9 5
1 7 6
E 1
3 1 0
1 2 0
1 3 0
1 1 0
3 6
4 b
G 1
4 a / 3 b
G 3 / 4
3 a / 3 b
G 3 / 4
1
2
7 / 1 6 ' ' - 2 0 U N F
6
7 / 1 6 ' ' - 2 0 U N F
6
Ø 1 0 B
9
Ø 1 5 9
E
1 7 6
I N
O U T
I N
O U T
T O P
5 3 5 7
5 7
8 0
6 0
1 1 0
L H
A
Ø 9
Ø 2 1 6
2 8 0
1 1 9
7
2 3 2
3 6 0
1 4 8
2 0 0
1 8 0
3 6
G 1
3 a / 3 b
G 1
4 a / 3 b
G 1 1 / 2
4 b 12
7 / 1 6 ' ' - 2 0 U N F
6
7 / 1 6 ' ' - 2 0 U N F
6
Ø 1 0 B
9
G 1 / 4
5
E
E 1
12AEE1HL
mm mm mm mm mm mm mm
OW401 22 (7/8'') 22 (7/8'') 863 134 42 400 238
OW501 22 (7/8'') 22 (7/8'') 1113 134 42 740 193
OW741 28 (1 1/8'') 28 (1 1/8'') 889 176 57 400 231
OW941 35 (1 3/8'') 35 (1 3/8'') 1139 182 63 740 186

Other manuals for Bitzer HS 53

Related product manuals