EasyManua.ls Logo

BlastPro BP-10 SUPER - Major Weldments

BlastPro BP-10 SUPER
27 pages
Print Icon
To Next Page IconTo Next Page
To Next Page IconTo Next Page
To Previous Page IconTo Previous Page
To Previous Page IconTo Previous Page
Loading...
19
3
5
4
6
2
1
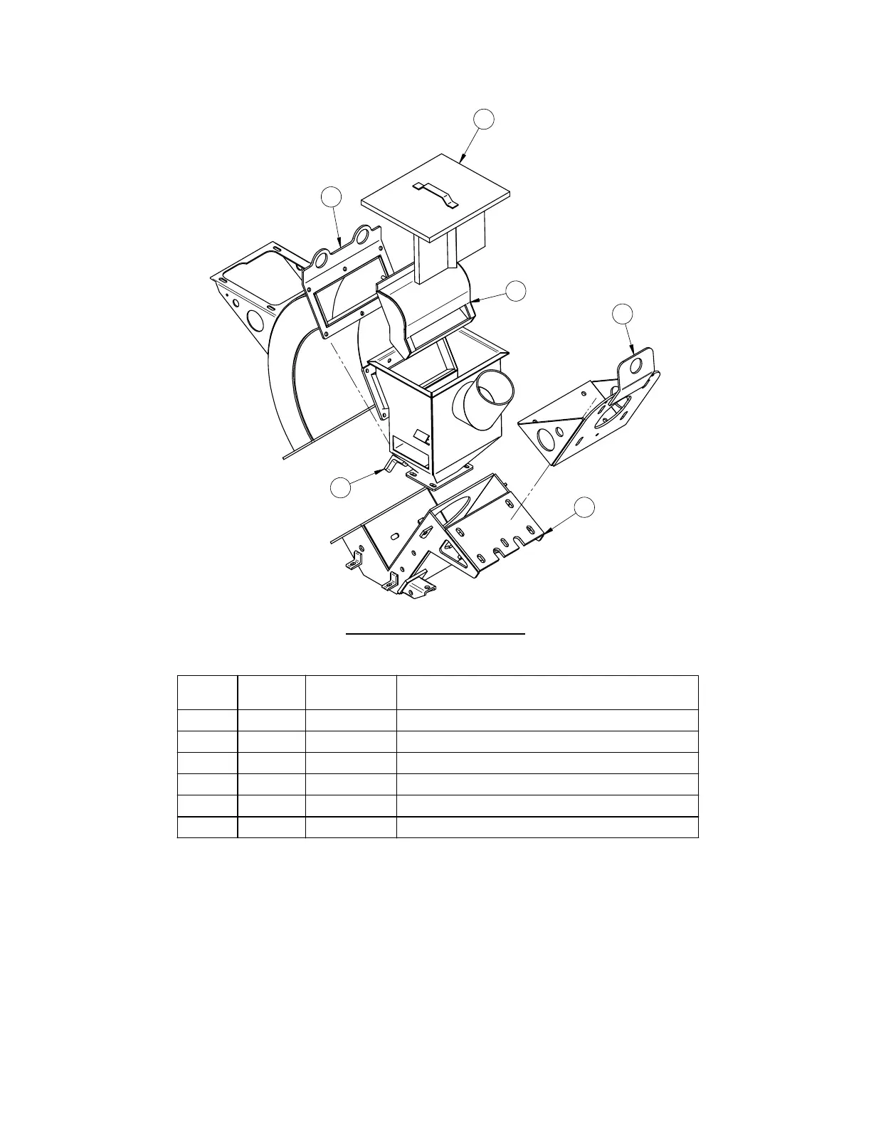
MAJOR WELDMENTS
ITEM
NUMBER
QUANTITY PART
NUMBER
DESCRIPTION
1 1 BT4899400 BLAST HOUSING 1-10D
2 1 BT4899430_A PLENUM 1-10D
3 1 BT4895410 SEPARATOR
4 1 BT4900560_A DEFLECTOR SEPERATOR
5 1 BT4900680_A LID SHOT HOPPER 1-10D
6 1 BT4917670_A BLAST WHEEL MOTOR MOUNT

Related product manuals