EasyManua.ls Logo

Bosch CM12 - Utilisation du Système de Détente Donglet

Bosch CM12
112 pages
Print Icon
To Next Page IconTo Next Page
To Next Page IconTo Next Page
To Previous Page IconTo Previous Page
To Previous Page IconTo Previous Page
Loading...
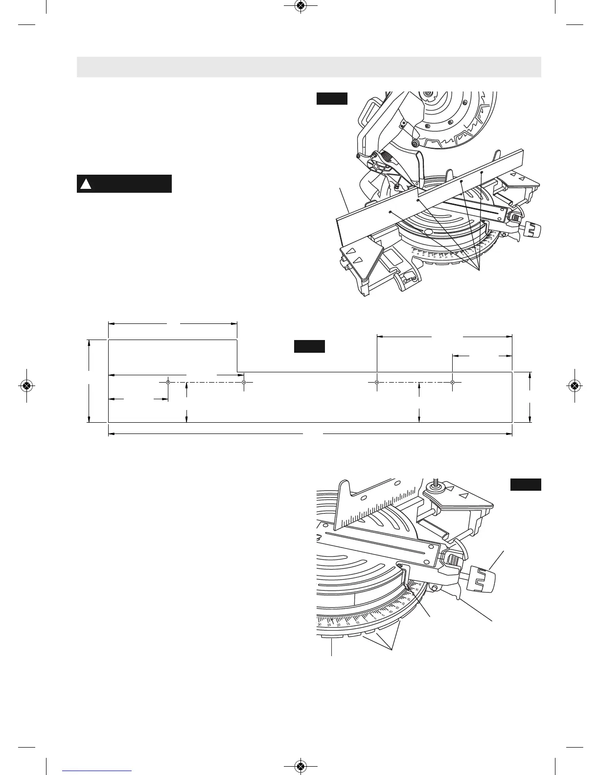
1. Desserrez le bouton de verrouillage d’environ 1/2 tour (voir
Figure 32)
2. Saisissez le bouton de verrouillage, puis étendez votre index
vers le bas pour tirer sur le levier de détente d’onglet tirez
sur le levier jusqu’à ce qu’il soit sorti de la plaque de
détente.
3. Tout en tenant le levier et le bouton de verrouillage dans la
main, faites tourner la table de la scie. Arrêtez la rotation
de la table à l’angle désiré comme indiqué par le pointeur
de l’échelle d’onglet.
4. Relâchez le levier dans une détente dans la plaque de
détentes ou à un certain angle entre les tentes. Si vous
êtes tout près d’une détente, utilisez la fonction de
neutralisation de détente.
5. Serrez le bouton de verrouillage d’onglet avant de couper.
-58-
Opérations de base de la scie
Assujettissez depuis l’arrière du guide :
Utilisez un guide auxiliaire de ¾ po au minimum et les vis à
bois à tête ronde de ¼ po (de ¾ po de longueur).
1. Percez quatre trous pilotes à travers le guide auxiliaire et
insérez les vis depuis l’arrière du guide en métal.
2. Recommencez la coupe de test.
Assurez-vous qu’il n’y a pas
d’interférence entre le guide
auxiliaire et certains composants de la tête de la scie en
effectuant une opération à vide. Une interférence du guide
pourrait empêcher la scie de fonctionner correctement et
risquerait de causer des blessures et/ou de causer des
dommages à l’outil.
AVERTISSEMENT
!
7"
7-3/8"
5-1/2"
2-3/4"
3-1/4"
2-3/16"
2-3/16"
3-1/4"
7-3/8"
22"
FIG. 30
Bouton de
verrouillage
d’onglet
Plaque
de détentes
Détentes
Pointeur de
l’échelle d’onglet
Levier de
détente
d’onglet
FIG. 32
FIG. 31
Vis de mécanique
à tête plate
Guide
auxiliaire
Utilisation du système de détente d’onglet
BM_2610021316_10-11_F:BM 2610021316 10-11 F.qxp 10/17/11 11:19 AM Page 58

Table of Contents

Related product manuals