EasyManua.ls Logo

Bosch CM12 - Utilización del Sistema de Retén de Inglete

Bosch CM12
112 pages
Print Icon
To Next Page IconTo Next Page
To Next Page IconTo Next Page
To Previous Page IconTo Previous Page
To Previous Page IconTo Previous Page
Loading...
-94-
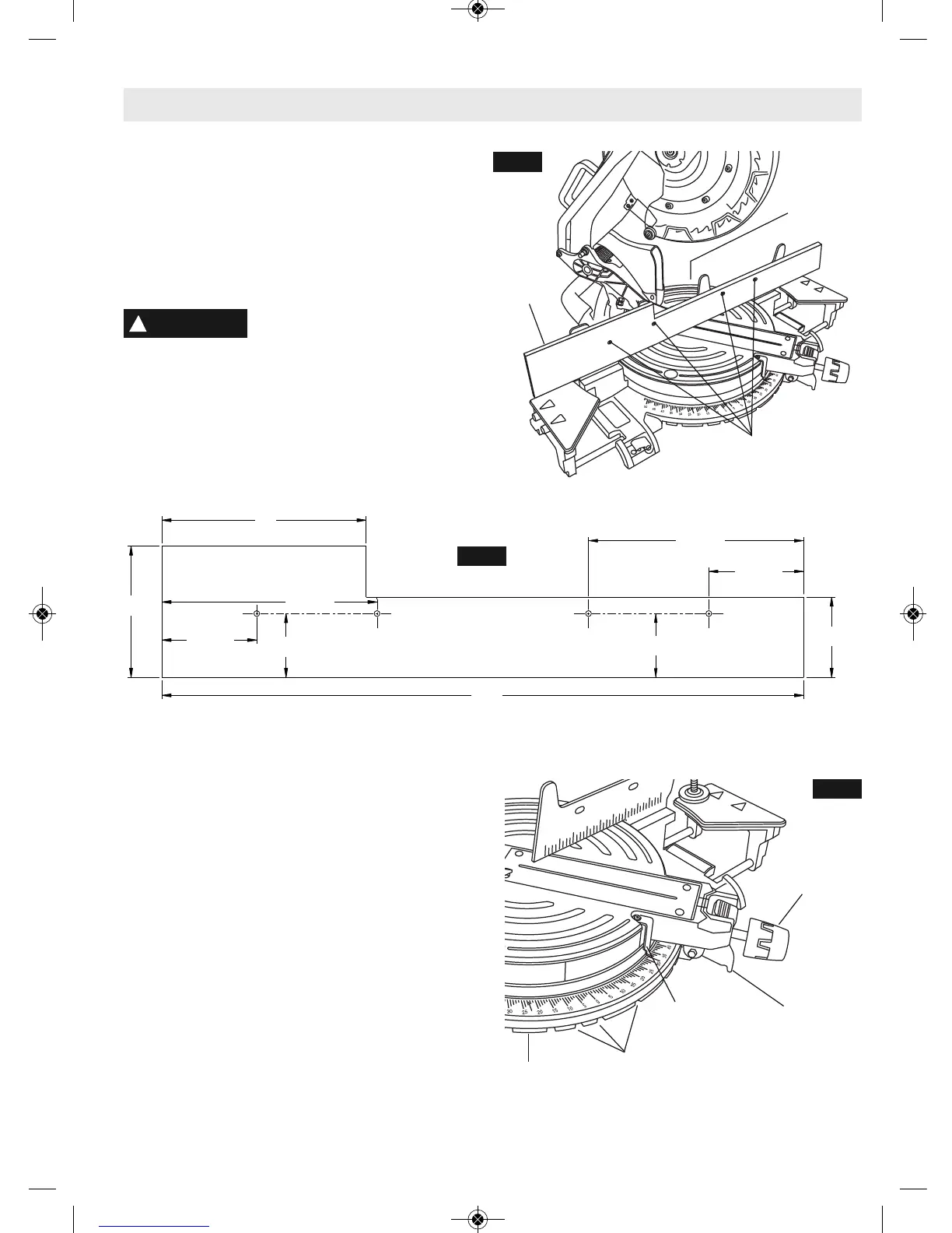
1. Afloje el pomo de fijación de inglete aproximadamente 1/2
vuelta. (vea la Figura 32)
2. Agarre el pomo de fijación y luego baje el dedo índice para
jalar hacia arriba la palanca de retén de inglete. Jale la
palanca hasta que esté fuera de la placa de retén.
3. Mientras agarra el pomo de fijación y la palanca, rote la
mesa de la sierra. Detenga la rotación de la mesa en el
ángulo deseado, tal y como lo indique el indicador de la
escala de ingletes.
4. Suelte la palanca en un retén de la placa de retén o en un
ángulo entre retenes. Si está cerca de un retén, use el
dispositivo de sobrecontrol del retén.
5. Apriete el pomo de fijación de inglete antes de cortar.
Sujeción desde la parte trasera del tope-guía:
Utilice un tope-guía auxiliar de 3/4 de pulgada como mínimo
y tornillos para madera de cabeza redonda de 1/4 de pulgada
(y 3/4 de pulgada de longitud).
1. Taladre cuatro agujeros piloto a través del tope-guía auxiliar
y pase los tornillos desde la parte traseras del tope-guía de
metal.
2. Repita el corte de prueba.
Compruebe si hay interferencia entre
el tope-guía auxiliar y los compo -
nentes del cabezal de la sierra realizando una pasada en
vacío. Una interferencia con el tope-guía puede impedir el
funcionamiento correcto de la sierra y causar lesiones y/o
daños a la herramienta.
Utilización del sistema de retén de inglete
Pomo de
fijación de
inglete
Placa
de retén
Retenes
Indicador de
la escala de
ingletes
Palanca de
retén de
inglete
FIG. 32
Tornillos de cabeza
plana para metales
Tope-guía
auxiliar
7"
7-3/8"
5-1/2"
2-3/4"
3-1/4"
2-3/16"
2-3/16"
3-1/4"
7-3/8"
22"
FIG. 30
FIG. 31
Operaciones básicas de la sierra
ADVERTENCIA
!
Ranura para
la hoja
BM_2610021316_10-11_S:BM 2610021316 10-11 S.qxp 10/17/11 11:09 AM Page 94

Table of Contents

Related product manuals