EasyManua.ls Logo

Bosch LM Split CS Series - Wiring Diagrams

Bosch LM Split CS Series
44 pages
Print Icon
To Next Page IconTo Next Page
To Next Page IconTo Next Page
To Previous Page IconTo Previous Page
To Previous Page IconTo Previous Page
Loading...
LM Split CS Series Heat Pump
LM Split CS Series Heat Pump8733827906 (2021/11)
38 | Wiring Diagrams
Subject to change without prior notice
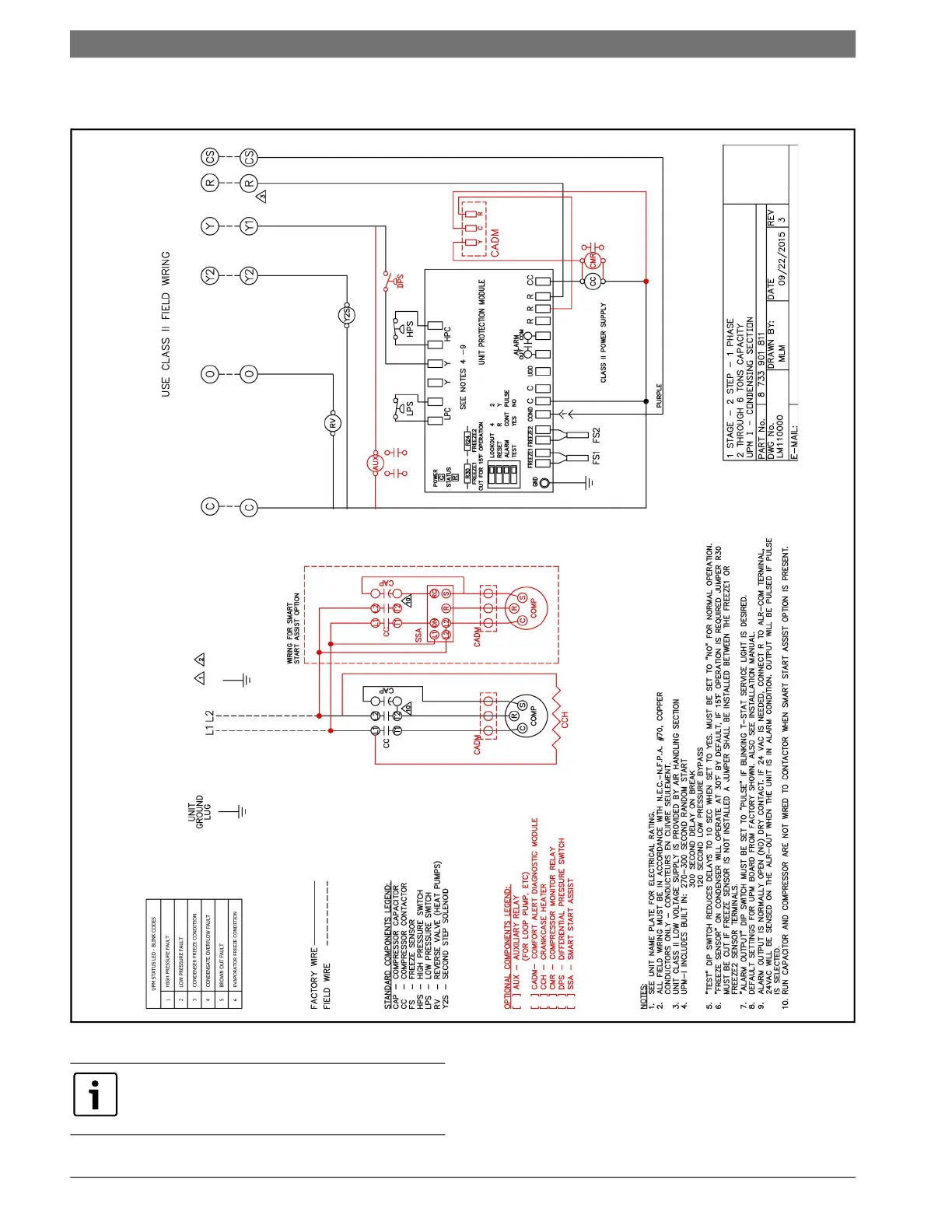
WIRING DIAGRAMS
Fig. 15 Wiring Diagrams
FOR REFERENCE ONLY Actual unit wiring
may vary from this example. Always refer to
the wiring diagram attached to the unit.

Related product manuals