EasyManua.ls Logo

Bosch rexroth CytroBox - 5.5 Circuit diagram, hydraulic

Bosch rexroth CytroBox
128 pages
Print Icon
To Next Page IconTo Next Page
To Next Page IconTo Next Page
To Previous Page IconTo Previous Page
To Previous Page IconTo Previous Page
Loading...
52/128 Product information
Bosch Rexroth AG, CytroBox, RE 51057-B/11.19
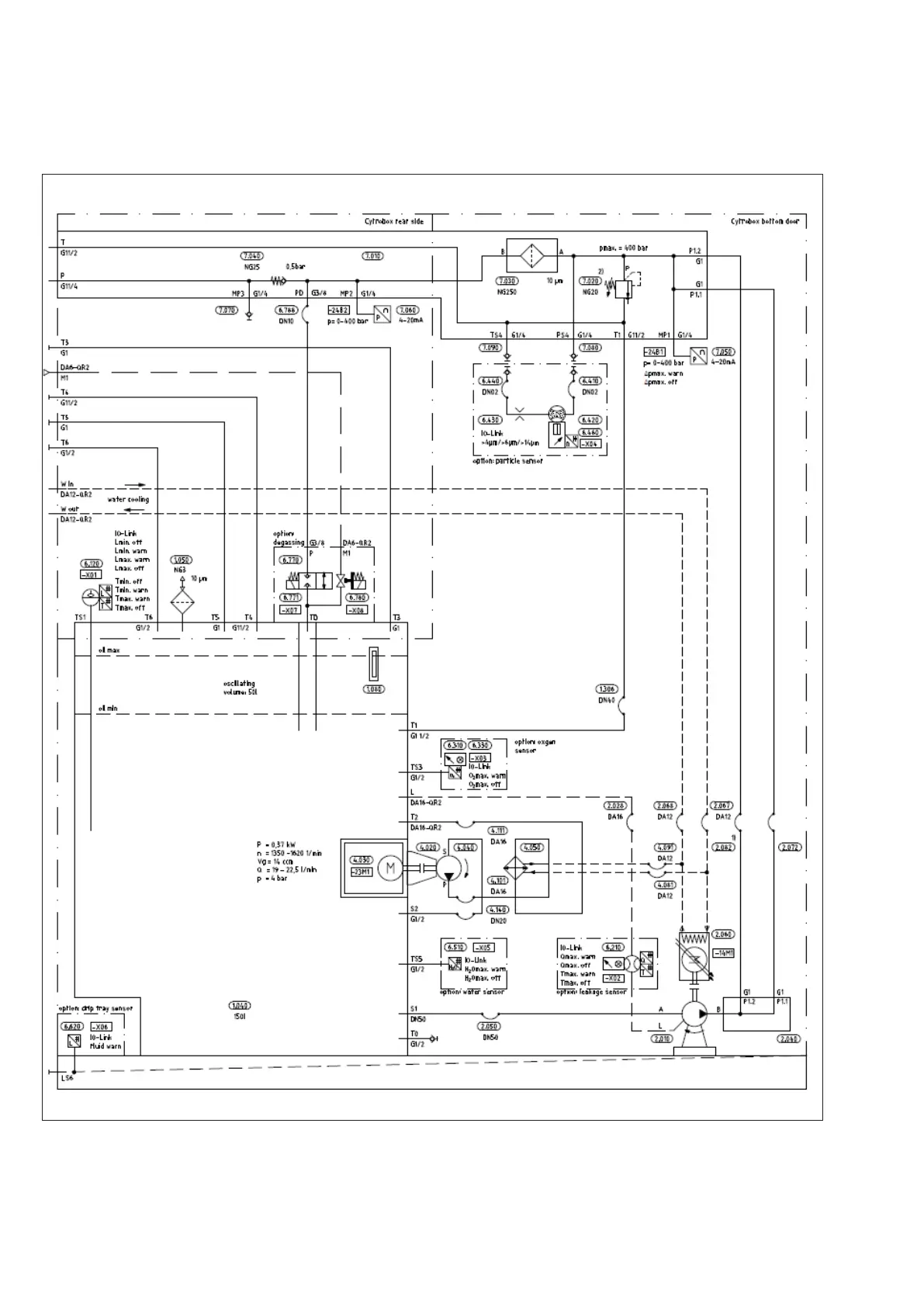
5.5 Circuit diagram, hydraulic
Fig. 9: Circuit diagram, hydraulic

Table of Contents