EasyManua.ls Logo

Boss MX130 - Installation Diagram

Boss MX130
29 pages
Print Icon
To Next Page IconTo Next Page
To Next Page IconTo Next Page
To Previous Page IconTo Previous Page
To Previous Page IconTo Previous Page
Loading...
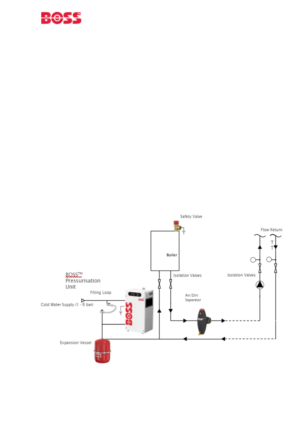
MX130 & MX230
Conditions
1.This equipment is designed to be installed in an indoor environment. The unit must be
installed in a frost free, non-condensing environment, away from precipitation and water
sprays/jets.
2.The heating/cooling system is fitted with an appropriate safety valve and expansion vessel.
3.Non-return valves, pressure reducing valves and RPZ valves must not be installed between
the pressurisation unit and the heating/cooling system. These devices will prevent the
pressure sensor from reading the system pressure.
4.It is essential to have the pressurisation unit and the associated system expansion vessel
connected to the system at the same point, to provide a neutral pressure reading. This point
of connection should be in the system return header, on the suction side of the circulation
pump.
5.All necessary pipe/electrical connections have been made to a local standard.
6.Refer to the appropriate datasheet for the maximum working pressure and temperature of
the pressurisation unit. The conditions at the point of connection to the system must not
exceed these values.
7.The expansion vessel is pre-charged to the correct set pressure.
8.The unit is equipped with a Category 5 Weir overflow arrangement and must not be
installed where damage to the local environs can occur on water egress from the weir.
7.1. Installation diagram

Related product manuals