EasyManua.ls Logo

BÖWE P 240 - Machine Connection Specifications

Default Icon
50 pages
Print Icon
To Next Page IconTo Next Page
To Next Page IconTo Next Page
To Previous Page IconTo Previous Page
To Previous Page IconTo Previous Page
Loading...
20
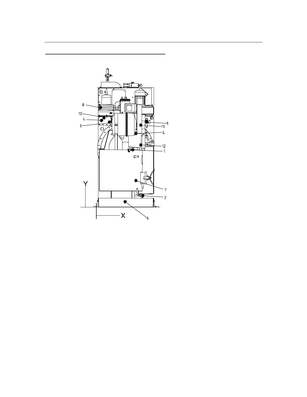
7. Connection
7.2 Machine connections specification
Slimline
703868-16-A
We reserve the right to change measurements!
Pos. Medium NW Zoll - X - - X - - Y - - Y -
mm inch mm inch mm inch
________________________________________________________________________
1 Steam still 15 1/2 610 24 950 37.4
2 Condensate still 15 1/2 775 30.5 190 7.5
3 Condensate heater 15 1/2 220 8.7 1400 55.1
4 Steam heater 15 1/2 90 3.5 1440 56.7
5 Cooling water inlet without tank cooling 15 1/2 660 26 1220 48
6 Cooling water inlet with tank cooling 15 1/2 480 18.9 90 3.5
7 Cooling water inlet still electr.
with water addition 15 1/2 660 26 440 17.3
8 Cooling water outlet 20 3/4 70 2,8 1650 65
9 Compressed air 8 1/4 840 33.1 1400 55.1
10 Electr. connection 130 5.1 1480 58.3
11 Venting water separator 22 - 740 29.1 1360 53.5
12 Rake out system - pump out 20 3/4 740 29.1 1020 40.2

Related product manuals