EasyManua.ls Logo

Bowflex Max Trainer SE - Page 92

Bowflex Max Trainer SE
107 pages
Print Icon
To Next Page IconTo Next Page
To Next Page IconTo Next Page
To Previous Page IconTo Previous Page
To Previous Page IconTo Previous Page
Loading...
92
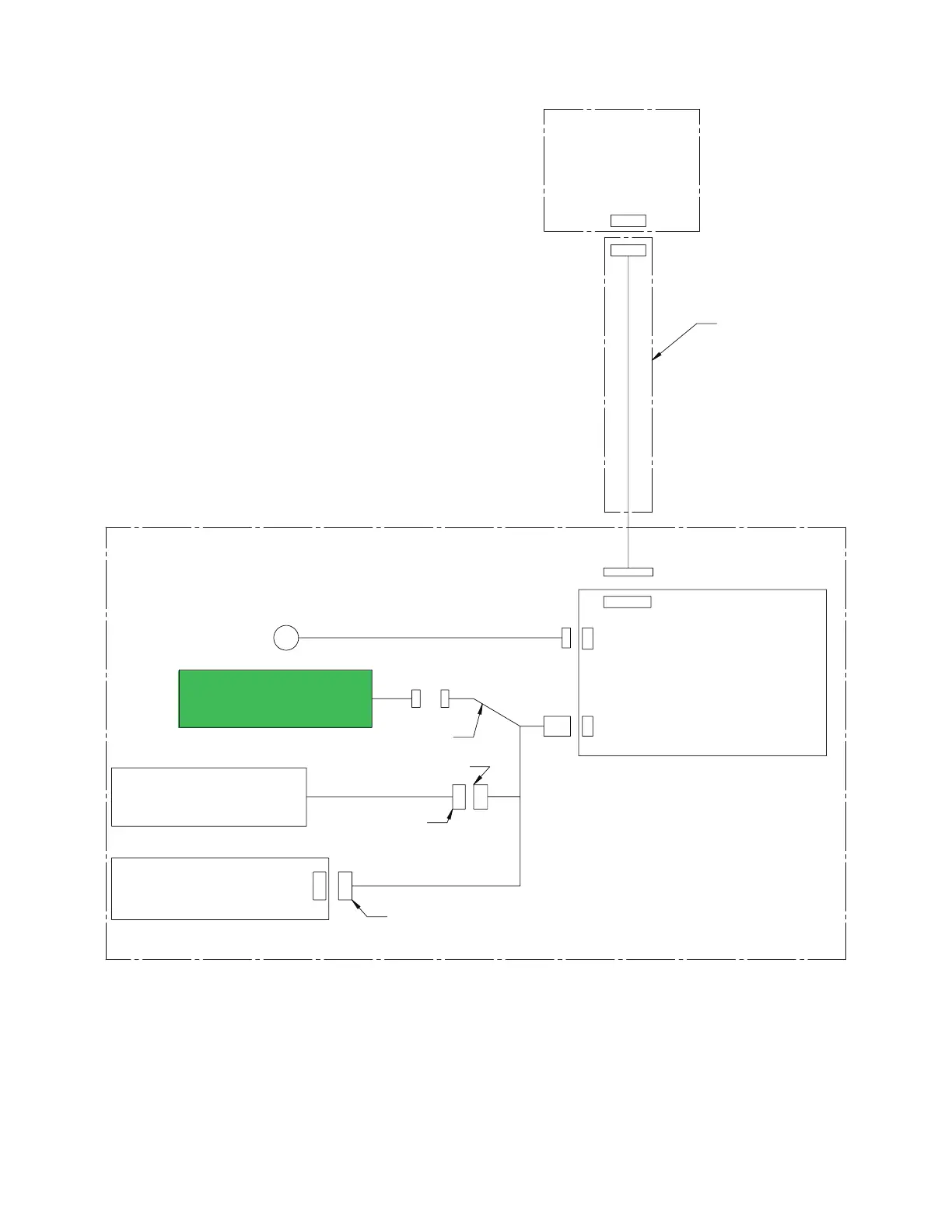
ELECTRICAL WIRING ROUTE DETAIL
- Servo Motor
USB-C RECPT
2 WIRE
2 WIRE
C2501-H05
(SM-5A)
USB-C PLUG
PHD-2X4A
VH-2A
PHD-2X4Y
VH-2Y
USB-C RECPT
XH-4Y
HA-2A
CONSOLE ASSEMBLY
USB-C PLUG
HA-2Y
XH-4AW
4 WIRE
PCBA, MAG
ROTATIONAL POSITION
SENSOR 3V3
SUB ASSY, ENGINE
SPEED SENSOR
2 WIRE
12VDC 3 A 2.0MM PIN
SUB ASSY, SERVO
PCBA, BASE HUB
SUB ASSY, HANDLEBARS

Related product manuals