EasyManua.ls Logo

Brother DCP-1623W - Page 130

Brother DCP-1623W
200 pages
To Next Page IconTo Next Page
To Next Page IconTo Next Page
To Previous Page IconTo Previous Page
To Previous Page IconTo Previous Page
Loading...
2-422-42
Confidential Confidential
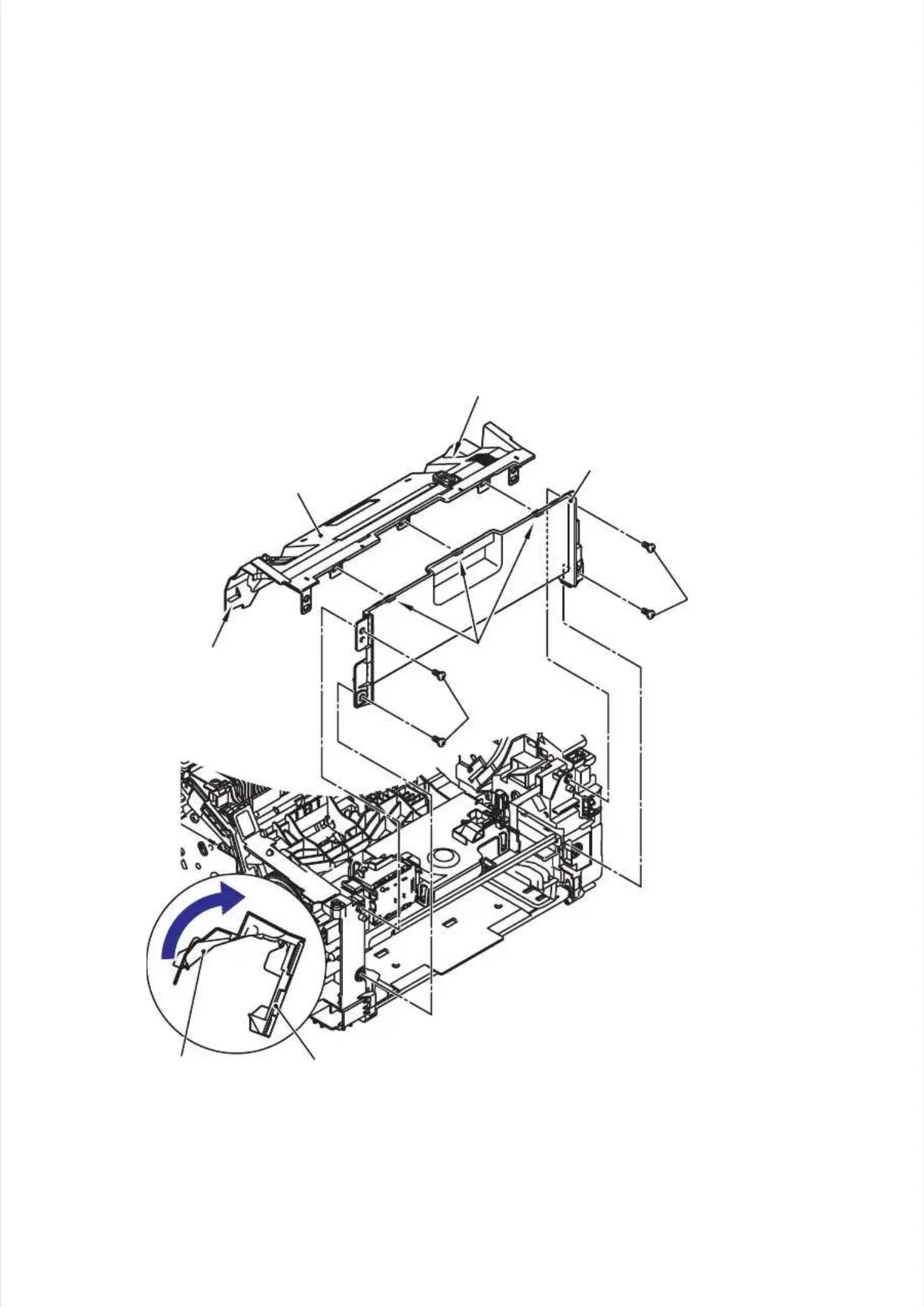
77..1177 FFrroonnt ct coovveerr
(1)(1) RemRemove thove the four te four taptiaptite binte bind B M4x12 sd B M4x12 screcrews.ws.
(2)(2) ReleaRelease the two hooks at thse the two hooks at the bottom of the lasee bottom of the laser unit coverr unit cover. Remove the la. Remove the laser unit covser unit coverer
and the front cover from the machine by turning them to the direction of the arrow.and the front cover from the machine by turning them to the direction of the arrow.
(3)(3) ReleasRelease the three he the three hooks of the fooks of the front covront cover to remove ier to remove it from the lat from the laser unit cser unit coverover..
Fig. 2-40Fig. 2-40
HookHook
Laser unit coverLaser unit cover
Front coverFront cover
Taptite bind BTaptite bind B
M4x12M4x12
Taptite bind BTaptite bind B
M4x12M4x12
HookHook
Laser unit coverLaser unit cover
Front coverFront cover
HooksHooks

Related product manuals