EasyManua.ls Logo

Brother DCP-1623W

Brother DCP-1623W
200 pages
To Next Page IconTo Next Page
To Next Page IconTo Next Page
To Previous Page IconTo Previous Page
To Previous Page IconTo Previous Page
Loading...
2-462-46
Confidential Confidential
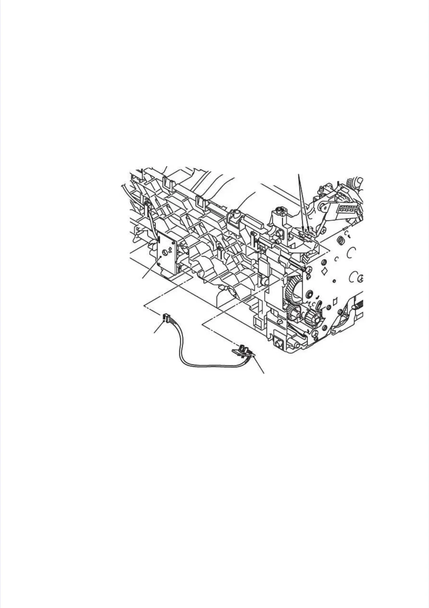
7.7.2020 EjEjecect set sensnsor or PCPCB ASB ASSYSY
(1)(1) DiscoDisconnect the ejennect the eject sensor PCB harct sensor PCB harness from the pness from the paper feedaper feed/paper pr/paper printing posinting positionition
sensor PCB ASSY, and release it from the securing fixtures.sensor PCB ASSY, and release it from the securing fixtures.
(2)(2) ReleaRelease the two hose the two hooks, and reoks, and remove the emove the eject sensject sensor PCB ASSY from tor PCB ASSY from the machinhe machine.e.
Fig. 2-46Fig. 2-46
Harness routing: Refer toHarness routing: Refer to
1212.. Eject sensor PCB ASSYEject sensor PCB ASSY..
HooksHooks
Eject sensor PCB harnessEject sensor PCB harness
Eject sensor PCB ASSYEject sensor PCB ASSY
Paper feed/paper printingPaper feed/paper printing
position sensor PCB ASSYposition sensor PCB ASSY

Related product manuals