EasyManua.ls Logo

Brother DCP-1623W

Brother DCP-1623W
200 pages
To Next Page IconTo Next Page
To Next Page IconTo Next Page
To Previous Page IconTo Previous Page
To Previous Page IconTo Previous Page
Loading...
2-472-47
Confidential Confidential
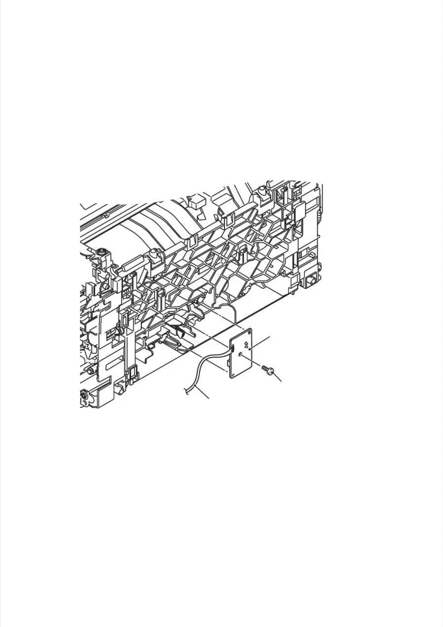
7.217.21 PapePaper fer feed/ped/paper aper prinprinting ting positposition ion senssensor or PCB PCB ASSYASSY
(1)(1) ReleaRelease the paper feese the paper feed/papd/paper printiner printing position seg position sensor PCB harnnsor PCB harness from the secess from the securinguring
fixtures.fixtures.
(2)(2) RemovRemove the taptite the taptite bind B M3x10 scree bind B M3x10 screw to remove the papw to remove the paper feed/per feed/paper printaper printing positing positionion
sensor PCB ASSY from the machine.sensor PCB ASSY from the machine.
Fig. 2-47Fig. 2-47
Harness routing: Refer toHarness routing: Refer to
1313.. Paper feed/paper printing position sensor PCB ASSYPaper feed/paper printing position sensor PCB ASSY..
Taptite bind B M3x10Taptite bind B M3x10
Paper feed/paper printingPaper feed/paper printing
position sensor PCB ASSYposition sensor PCB ASSY
Paper feed/paper printingPaper feed/paper printing
position sensor PCB harnessposition sensor PCB harness

Related product manuals