EasyManua.ls Logo

Brother HL-L2370DN - Error and Maintenance Messages

Brother HL-L2370DN
248 pages
To Next Page IconTo Next Page
To Next Page IconTo Next Page
To Previous Page IconTo Previous Page
To Previous Page IconTo Previous Page
Loading...
3-52
Confidential
Common to all models
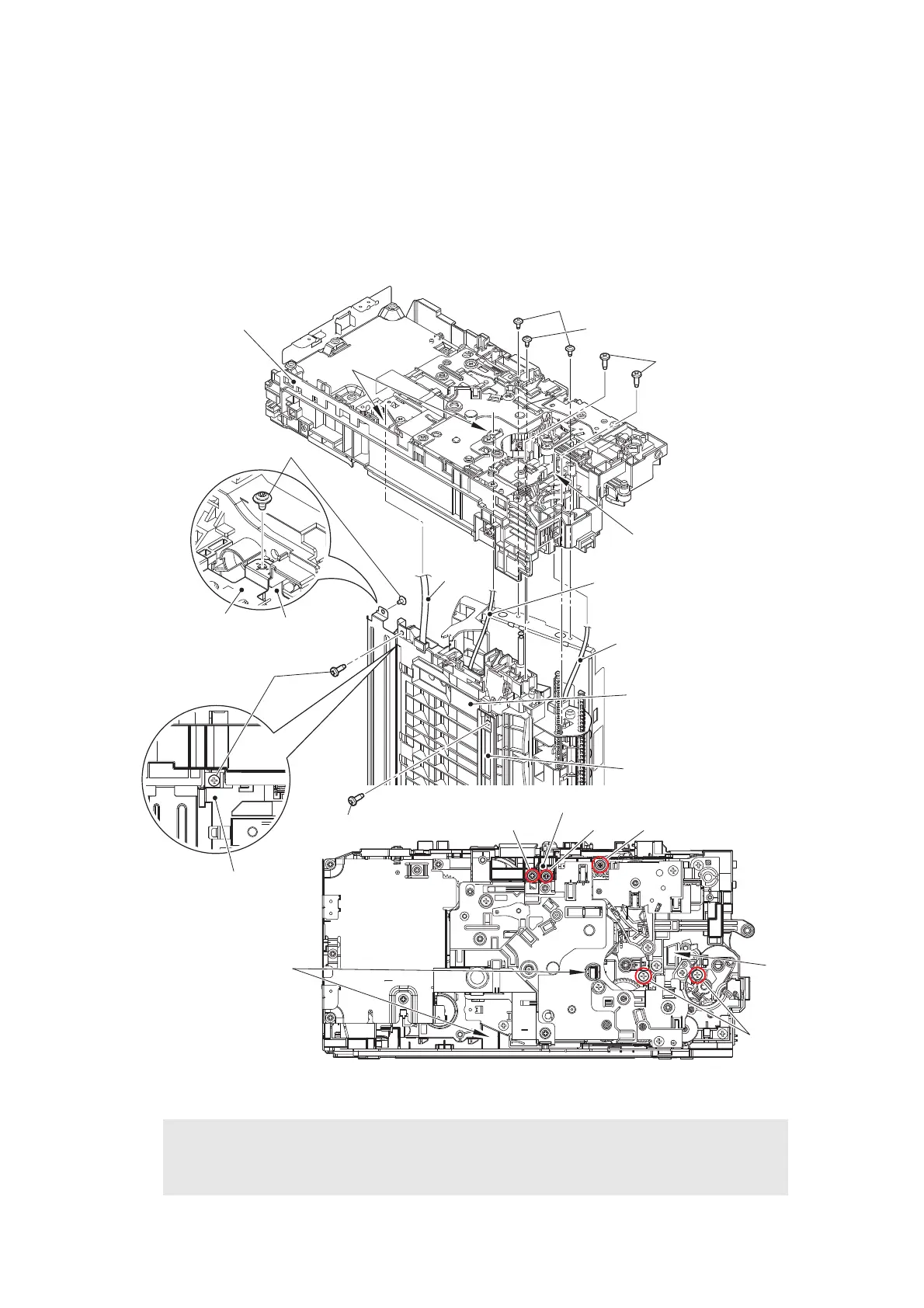
(11) Remove the Taptite bind B M4x12 (11a) screw (for securing the Under bar), the Taptite cup
S M3x6 SR (11b) screw (for securing the Chute ground plate), the Taptite bind B M4x12
(11c) screw (for securing the Registration chute), and the Taptite cup S M3x8 SR (11d)
screw (for securing the Laser L FG plate).
(12)
Remove the two Taptite bind B M4x12 (12a) screws and the two Taptite cup S M3x8 SR (12b)
screws, and remove the Frame L unit. Pull out the Paper feed sensor harness, the Cartridge
sensor harness (only for models without Toner box) and the LVPS harness from the Holes.
Fig. 3-50
Harness routing: Refer to “4. Frame L unit (Manual feed models)”.
Assembling Note:
When assembling the Frame L unit, make sure that the Chute ground plate is above
the Main PCB FG plate 2.
Taptite cup S M3x8 SR (11d)
Taptite cup S M3x8 SR (12b)
Taptite bind B
M4x12 (12a)
Frame L unit
Taptite bind B M4x12 (11c)
Registration chute
Taptite cup S M3x6 SR (11b)
Chute ground plate
Taptite bind B M4x12 (11a)
Under bar
Registration chute
12b
Laser L FG plate
11d
12a
12b
<Upper side of Frame L>
Main PCB FG
plate 2
Holes
Hole
Paper feed sensor
harness
LVPS
harness
Holes
Hole
<Bottom side>
<Overhead view
of Frame L>
Cartridge sensor harness
(Only for models without Toner box)

Table of Contents

Other manuals for Brother HL-L2370DN

Related product manuals