EasyManua.ls Logo

BRP Evinrude E-Tec E200DPXSUF - Oiling System Electrical Diagram

BRP Evinrude E-Tec E200DPXSUF
443 pages
Print Icon
To Next Page IconTo Next Page
To Next Page IconTo Next Page
To Previous Page IconTo Previous Page
To Previous Page IconTo Previous Page
Loading...
OILING SYSTEM
COMPONENTS
204
8
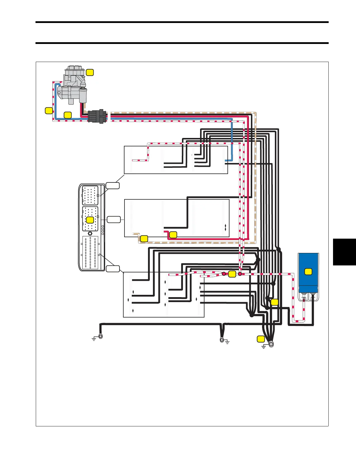
Oiling System Electrical Diagram
1.
2.
3.
4.
5.
6.
7.
8.
Oil Injection Pump
EMM
55 V Circuit (WHITE/RED)
Grounds, NEG (BLACK)
EMM to Oil Solenoid (BLUE)
Oil Pressure Sensor, +5 V analog (RED)
Oil Pressure Sensor Signal (TAN/WHITE)
Capacitor
18 19 20 21 22 23 24 25
10 11 12 13 14 15 16 17
20 21 22 23 24 25 26 27 28 29
11 12 13 14 15 16 17 18 19
1 2 3 4 5 6 7 8 9 10
1 2 3 4 5 6 7 8 9
1
4
8
20 21 22 23 24 25 26
26 27 28 29 30 31 32 33 34
J2
J1-B
J1-A
1
2
3
4
5
2
1 2 3 4 5 6 7
8 9 10 11 12 13
14 15 16 17 18 19
3
5
6
4
3
7
005358

Table of Contents

Related product manuals