EasyManua.ls Logo

Bryant 542J - Page 13

Bryant 542J
122 pages
Print Icon
To Next Page IconTo Next Page
To Next Page IconTo Next Page
To Previous Page IconTo Previous Page
To Previous Page IconTo Previous Page
Loading...
13
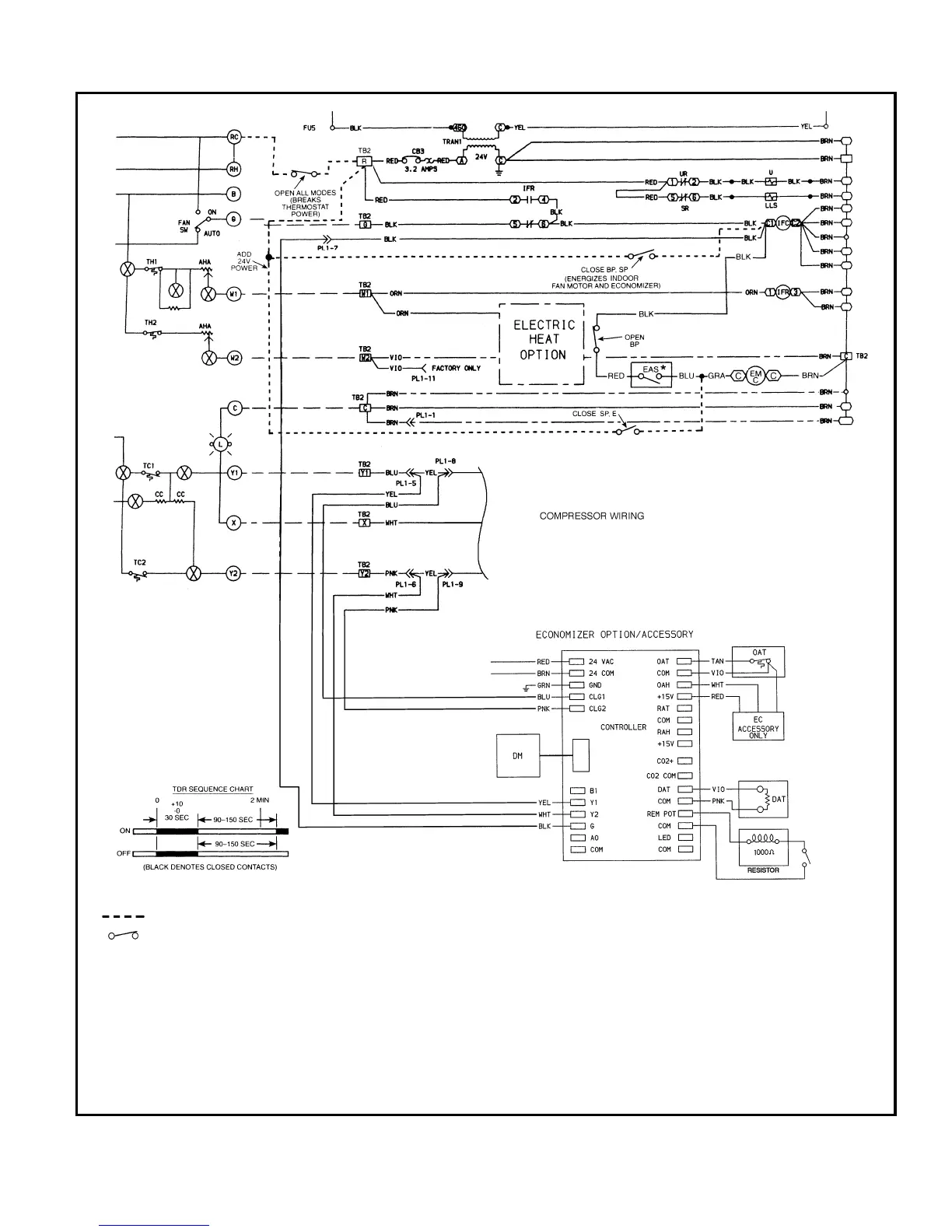
CONTROLS (cont)
OPERATING MODES
BP
Building Pressurization: Indoor fan on, economizer energized to fully open position, power exhaust disabled.
E—
Evacuation: Indoor fan off, economizer energized to fully open position, power exhaust on (open).
SD
Complete Unit Shutdown: Breaks 24-v power to the thermostat.
SP
Smoke Purge: Indoor fan on, economizer energized to fully open position, power exhaust on.
See Legend on page 14.
*Included in power exhaust accessory.
LEGEND
Field Wiring
Field-Supplied Switch
Typical Smoke Control/Fire Shutdown Wiring — 542J150,180

Related product manuals