EasyManua.ls Logo

Bryant PREFERRED 581J - 2- -Stage Cooling Typical Power Diagram

Bryant PREFERRED 581J
66 pages
Print Icon
To Next Page IconTo Next Page
To Next Page IconTo Next Page
To Previous Page IconTo Previous Page
To Previous Page IconTo Previous Page
Loading...
52
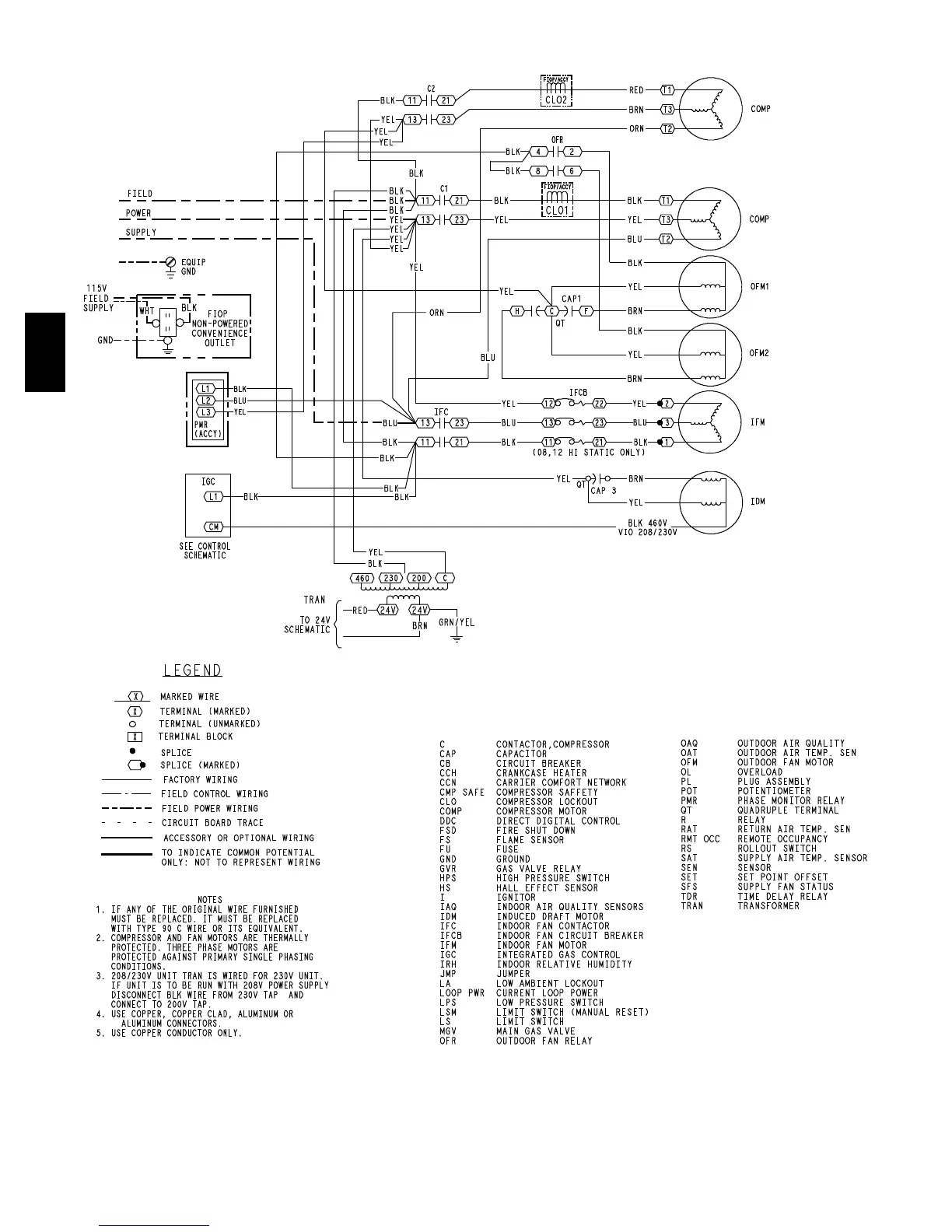
TYPICAL WIRING DIAGRAMS (cont.)
C08577
Fig. 16 -- 2--Stage Cooling Typical Power Diagram
581J

Table of Contents

Related product manuals