EasyManua.ls Logo

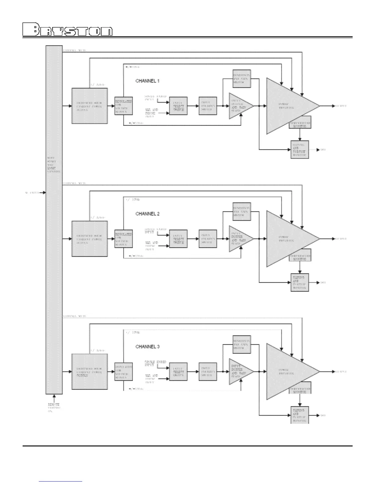
Bryston 6BSST - Block Diagram of the 6 BSST

Bryston 6BSST
16 pages
Print Icon
To Next Page IconTo Next Page
To Next Page IconTo Next Page
To Previous Page IconTo Previous Page
To Previous Page IconTo Previous Page
Loading...
6BSST THREE CHANNEL POWER AMPLIFIER
8

Related product manuals