EasyManua.ls Logo

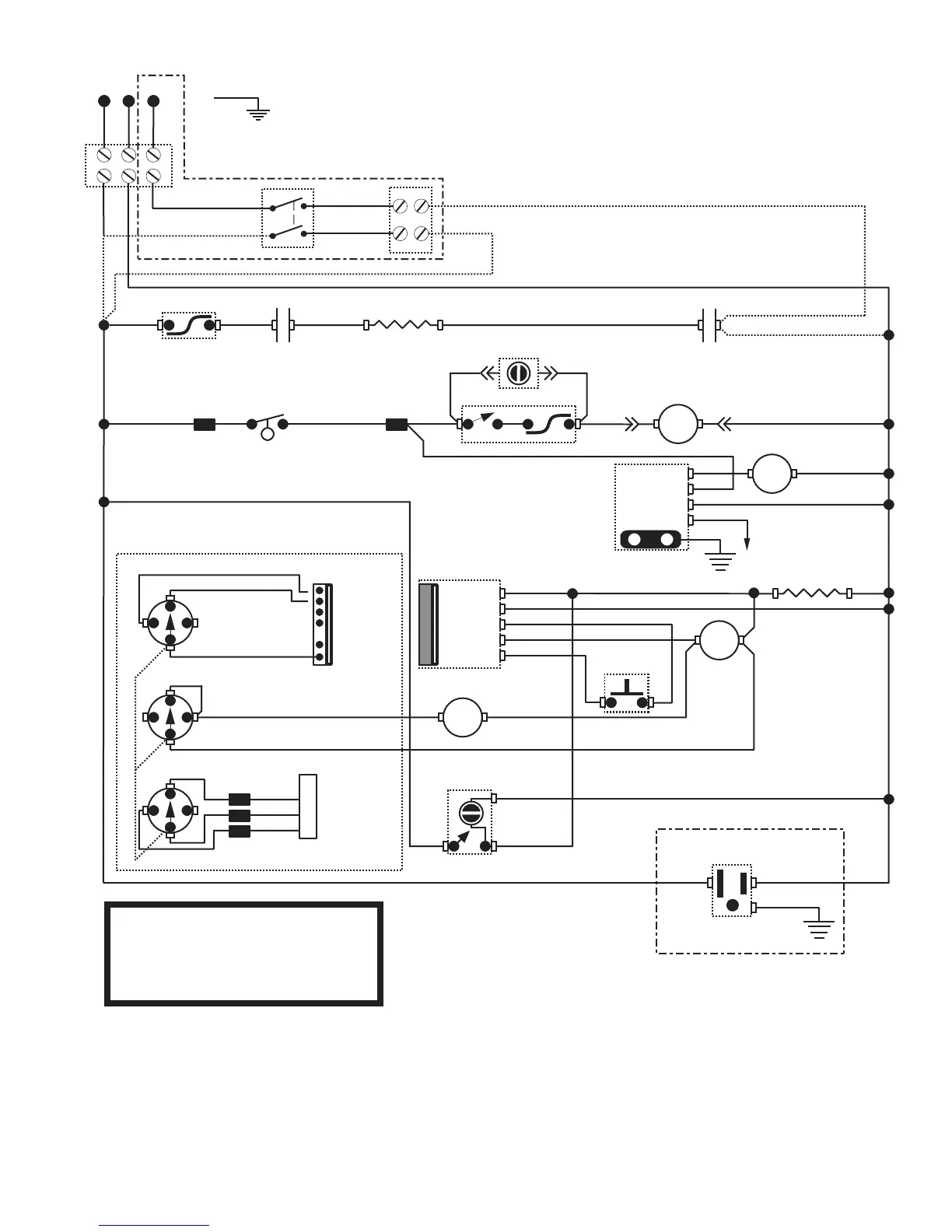
Bunn SINGLE - Schematic Wiring Diagram - Single Brewer

Bunn SINGLE
46 pages
Print Icon
To Next Page IconTo Next Page
To Next Page IconTo Next Page
To Previous Page IconTo Previous Page
To Previous Page IconTo Previous Page
Loading...
Page 41
26885.0001D 01/07 © 1996 BUNN-O-MATIC CORPORATION
120 VOLTS AC 2 WIRE + GRD
120/208 VOLTS AC OR
120/240 VOLTS AC 3 WIRE + GRD
SINGLE PHASE
PROBE
PNK-20
BLUBLK
WHI
SOL
WHI
WHI
OVERFLOW
PROTECTION SW
RED RED
READY INDICATOR
SCHEMATIC WIRING DIAGRAM
SINGLE BREWER
BLU
RED-12 (208 OR 240V)
BLK-12 BLK-12
K1
N.O.
BLK-12
WHI-12 (120V)
RED-12 (208 OR 240V)
WHI-12 (120V)
BLK
BLK
GRINDER
INTERFACE
CONNECTOR
FRACTIONAL BATCHES
(CONNECT
AS REQUIRED)
FULL BATCH
(NO CONNECTION)
WHI/VIO
1/4 BATCH
1/3 BATCH
1/2 BATCH
2/3 BATCH
3/4 BATCH
BATCH COMMON
S
E
L
E
C
T
O
R
S
W
WHI/ORA
WHI/GRN
WHI/YEL
WHI/RED
1
2
3
4
5
BREW
TIMER
WHI
WHI/VIO
WHI
WHI
WHI
WHI
WHI/VIO
WHI/GRN
WATER
BYPASS
WHI/RED
WHI/VIO
REFILL
4
3
2
1
TANK HEATER
K1
K1
N.O.
SW. & THERMOSTAT
1
2
3
4
LIQUID
LEVEL
BOARD
SOL
DISPENSE
START
SWITCH
SOL
ON/OFF
SWITCH
BLK
GRY
TAN
PNK
TANK HEATER
CONTACTOR
LIMIT THERMOSTAT
VIO
100W WARMER
(NOT AVAILABLE ON
SINGLE-TF)
OPTIONAL 3-SET SELECTOR SWITCH SHOWN
WITH GRINDER INTERFACE OPTION
AUXILIARY OUTLET
GRN
200WATT MAXIMUM
White Strip-Tac Plus
Black Ink
Finished Size: 5.0" x 5.75"
?65% Reduction
ORN
BLU
YEL
GRN
N
L1
BLK-14 (208 OR 240V)
RED-14
RED-14
BLK-14
MAIN ON/OFF SWITCH
(Late 120/208V & 120/240V Models only)
WHI
WHI
L2
RED
BLK
BLK-12 (120V)
BLK-12 (208 OR 240V)
(Early Models only)
27038 091900

Other manuals for Bunn SINGLE

Related product manuals