EasyManua.ls Logo

Bunn SINGLE - Schematic Wiring Diagram - Single Brewer ECA

Bunn SINGLE
46 pages
Print Icon
To Next Page IconTo Next Page
To Next Page IconTo Next Page
To Previous Page IconTo Previous Page
To Previous Page IconTo Previous Page
Loading...
Page 42
26885.0000B 11/96 © 1996 BUNN-O-MATIC CORPORATION
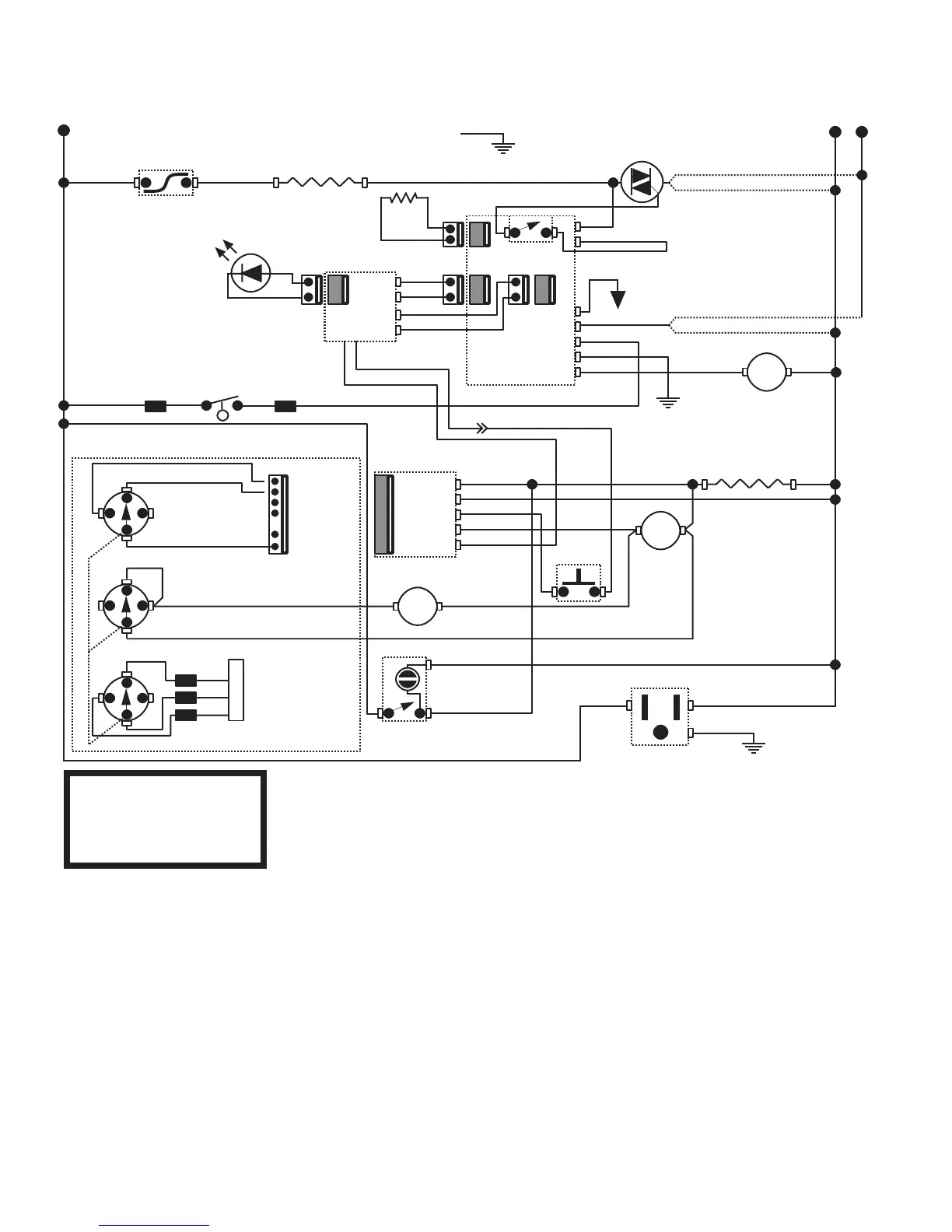
120 VOLTS AC 2 WIRE
120/208 VOLTS AC OR
120/240 VOLTS AC
3 WIRE
S
E
L
E
C
T
O
R
S
W
SCHEMATIC WIRING DIAGRAM SINGLE BREWER ECA
1/4 BATCH
1/3 BATCH
1/2 BATCH
2/3 BATCH
3/4 BATCH
BATCH COMMON
TAN
GRY
PNK
GRY
PNK
TAN
WHI/VIO
OPTIONAL 3-SET SELECTOR SWITCH SHOWN
WITH GRINDER INTERFACE OPTION
WHI
100W WARMER
(NOT AVAILABLE ON
SINGLE-TF)
WHI/VIO
WHI/GRN
WHI
WHI/RED
WHI/GRN
1
BREW
TIMER
3
2
4
5
WHI/VIO
SOL
WHI/VIO
BLK
WHI
L1
N L2
AUXILIARY OUTLET
200 WATT MAXIMUM
GREEN
WHI
BLK
TANK HEATER
SW
WHI
GRY
GRY
ELECTRONIC
CONTROL ASSY
1
2
5
4
7
6
3
W
H
I
W
H
I
t°
TAN
BLU
WHI/BRN
PNK 20
(PROBE)
RED (208 OR 240V)
GRN
WHI/BLU
INTERLOCK
ASSY
PNK
GRY
LIMIT
THERMOSTAT
BLK-12 BLK-12
RED RED
READY
L.E.D.
PNK
GRY
BLK
BLU-12
WHI/YEL
ORA
WHI (120V)
WHI/VIO-12 (208 OR 240V)
WHI /VIO-12(120V)
TANK HEATER
VIO
WATER
BYPASS
FRACTIONAL BATCHES
(CONNECT
AS REQUIRED)
FULL BATCH
(NO CONNECTION)
OVERFLOW
PROTECTION SW
ON/OFF
GRINDER
INTERFACE
CONNECTOR
SW
WHI/YEL
WHI/YEL
WHI/ORA
GRN
SOL
SOL
START SW.
4
3
2
1
White Strip-Tac Plus
Black Ink
Finished Size: 4" x 4.12"
≈53% Reduction
27038 091900

Other manuals for Bunn SINGLE

Related product manuals