EasyManua.ls Logo

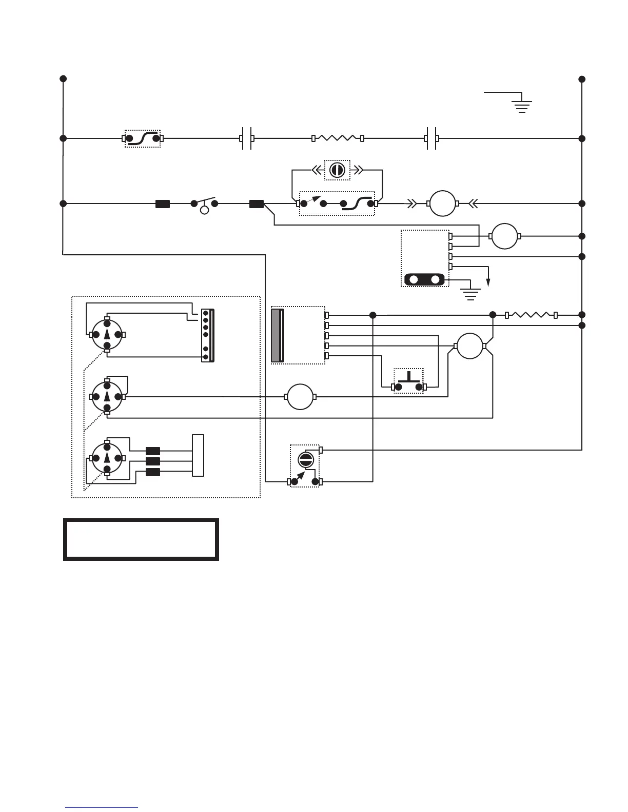
Bunn SINGLE - Schematic Wiring Diagram - Single-A & -B Brewer

Bunn SINGLE
46 pages
Print Icon
To Next Page IconTo Next Page
To Next Page IconTo Next Page
To Previous Page IconTo Previous Page
To Previous Page IconTo Previous Page
Loading...
Page 43
26885.0003C 11/06 © 1996 BUNN-O-MATIC CORPORATION
200 OR 240 VOLTS AC
2 WIRE + GRD
PROBE
PNK-20
BLUBLK
RED
SOL
RED
RED
OVERFLOW
PROTECTION SW
RED RED
READY INDICATOR
SCHEMATIC WIRING DIAGRAM SINGLE-A & -B BREWER
BLU
L1
GRN/YEL
RED-12
BLK-12 BLK-12
K1
N.O.
BLK-12
L2
RED-12
BLK
BLK
GRINDER
INTERFACE
CONNECTOR
FRACTIONAL BATCHES
(CONNECT
AS REQUIRED)
FULL BATCH
(NO CONNECTION)
WHI/VIO
1/4 BATCH
1/3 BATCH
1/2 BATCH
2/3 BATCH
3/4 BATCH
BATCH COMMON
S
E
L
E
C
T
O
R
S
W
WHI/ORA
WHI/GRN
WHI/YEL
1
2
3
4
5
BREW
TIMER
WHI/VIO
RED
RED
RED
WHI/VIO
WHI/GRN
WATER
BYPASS
WHI/RED
WHI/VIO
REFILL
4
3
2
1
TANK HEATER
K1
K1
N.O.
SW. & THERMOSTAT
1
2
3
4
LIQUID
LEVEL
BOARD
SOL
DISPENSE
START
SWITCH
SOL
ON/OFF
SWITCH
GRY
TAN
PNK
TANK HEATER
CONTACTOR
LIMIT THERMOSTAT
VIO
100W WARMER
(NOT AVAILABLE ON
SINGLE-TF)
OPTIONAL 3-SET SELECTOR SWITCH SHOWN
WITH GRINDER INTERFACE OPTION
ORN
BLU
YEL
27038 091900

Other manuals for Bunn SINGLE

Related product manuals