EasyManua.ls Logo

Burnham PVG - Page 35

Burnham PVG
68 pages
Print Icon
To Next Page IconTo Next Page
To Next Page IconTo Next Page
To Previous Page IconTo Previous Page
To Previous Page IconTo Previous Page
Loading...
35
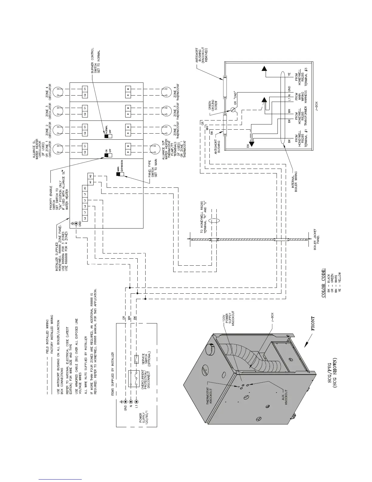
Figure 18: Circulator Zoned System Wiring Schematic

Table of Contents

Related product manuals