EasyManua.ls Logo

Busch-Jaeger Prasenz tech 6813-101 - Page 159

Busch-Jaeger Prasenz tech 6813-101
Print Icon
To Next Page IconTo Next Page
To Next Page IconTo Next Page
To Previous Page IconTo Previous Page
To Previous Page IconTo Previous Page
Loading...
NOR
159
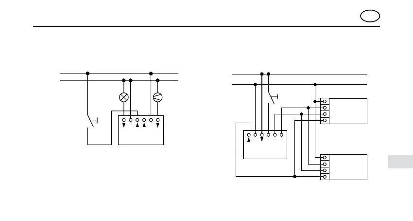
Fig. 5/Fig. 6
Kombinasjon med universal serievender
(kronevender) 6402U og impulsbryter med
sluttekontakt
Kombinasjon med tastebetjent universal
enhet 6550U-101 og impulsbryter med
sluttekontakt
21K1 K2
LN
L1
N
6402U
Sluttekontakt
L
N
+
N
L
+
N
L
1N –+
forkop-
lings-
enhet
forkop-
lings-
enhet

Table of Contents