EasyManua.ls Logo

Busch-Jaeger Prasenz tech 6813-101 - Page 197

Busch-Jaeger Prasenz tech 6813-101
Print Icon
To Next Page IconTo Next Page
To Next Page IconTo Next Page
To Previous Page IconTo Previous Page
To Previous Page IconTo Previous Page
Loading...
S
197
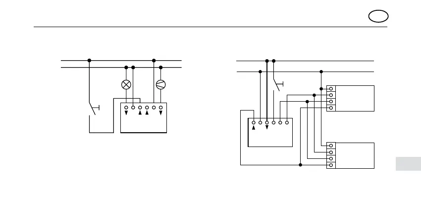
Fig. 5/Fig. 6
Kombination med seriell universalinsats
6402U och slutande tryckknapp
Kombination med styrdon med minnes-
funktion 6550U-101 och slutande tryckknapp
21K1 K2
LN
L1
N
6402U
Slutande
tryckknapp
L
N
+
N
L
+
N
L
1N –+
förkopp-
lingsdon
förkopp-
lingsdon

Table of Contents