EasyManua.ls Logo

Busch-Jaeger Prasenz tech 6813-101 - Page 235

Busch-Jaeger Prasenz tech 6813-101
Print Icon
To Next Page IconTo Next Page
To Next Page IconTo Next Page
To Previous Page IconTo Previous Page
To Previous Page IconTo Previous Page
Loading...
SF
235
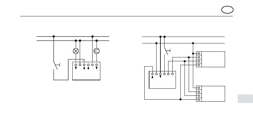
Kuva 5/Kuva 6
Yhdessä yleis-sarjayksikön 6402U ja sulkeu-
tuvien kytkimien kanssa
Yhdessä muistipainikeohjaimen 6550U-101
ja sulkeutuvien kytkimien kanssa
*EVG = elektronisen liitäntälaitteen
21K1 K2
LN
L1
N
6402U
Sulkeutuva
kytkin
L
N
+
N
L
+
N
L
1N –+
EVG*
EVG*

Table of Contents