EasyManua.ls Logo

Busch-Jaeger Prasenz tech 6813-101 - Page 5

Busch-Jaeger Prasenz tech 6813-101
Print Icon
To Next Page IconTo Next Page
To Next Page IconTo Next Page
To Previous Page IconTo Previous Page
To Previous Page IconTo Previous Page
Loading...
D
5
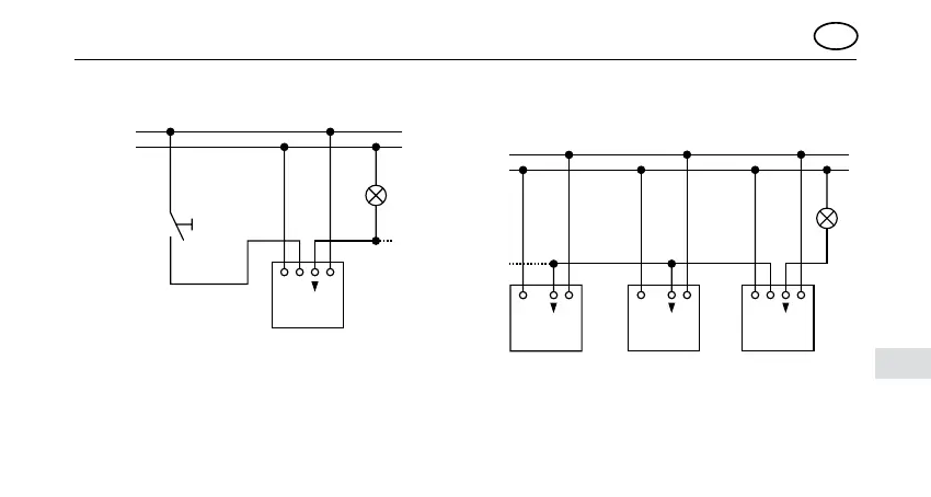
Kombination mit den Nebenstellen 6805U
(Parallelschaltung Master/Slave)
Fig. 1/Fig. 2
Kombination mit dem Universal-Relais-Ein-
satz 6401U-102
HINWEIS
Bei beleuchteten Tastern können ausschließ-
lich Taster mit separatem N-Anschluss ver-
wendet werden.
Eine kontaktparallele
Beleuchtung ist nicht zulässig!
L1
N
1N
L
6401U-102
Schließer-
taster
L1
N
1N
L
N
L
N
L
6805U 6805U 6401U-102

Table of Contents