EasyManua.ls Logo

Busch-Jaeger Prasenz tech 6813-101 - Page 7

Busch-Jaeger Prasenz tech 6813-101
Print Icon
To Next Page IconTo Next Page
To Next Page IconTo Next Page
To Previous Page IconTo Previous Page
To Previous Page IconTo Previous Page
Loading...
D
7
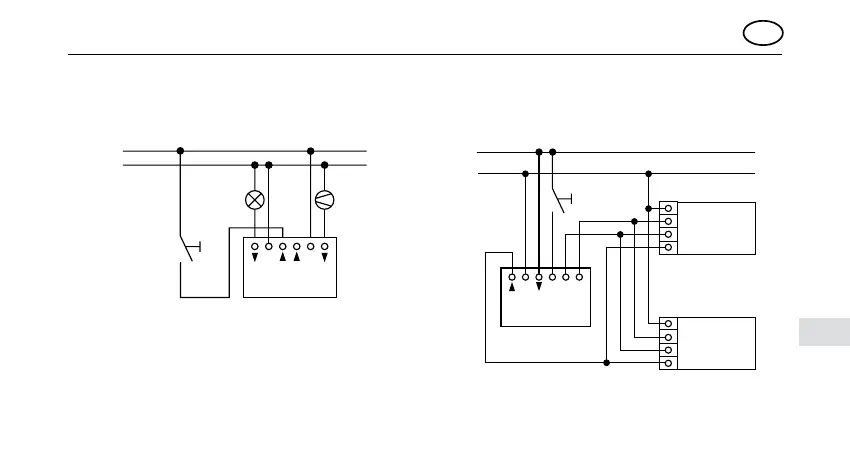
Fig. 5/Fig. 6
Kombination mit dem Universal-Serien-Ein-
satz 6402U und Schließertaster
Kombination mit dem Universal-Taststeuer-
gerät 6550U-101 und Schließertaster
21K1 K2
LN
L1
N
6402U
Schließer-
taster
L
N
+
N
L
+
N
L
1N –+
EVG
EVG

Table of Contents