EasyManua.ls Logo

Calorex Pro-Pac 30 - Page 16

Calorex Pro-Pac 30
156 pages
Print Icon
To Next Page IconTo Next Page
To Next Page IconTo Next Page
To Previous Page IconTo Previous Page
To Previous Page IconTo Previous Page
Loading...
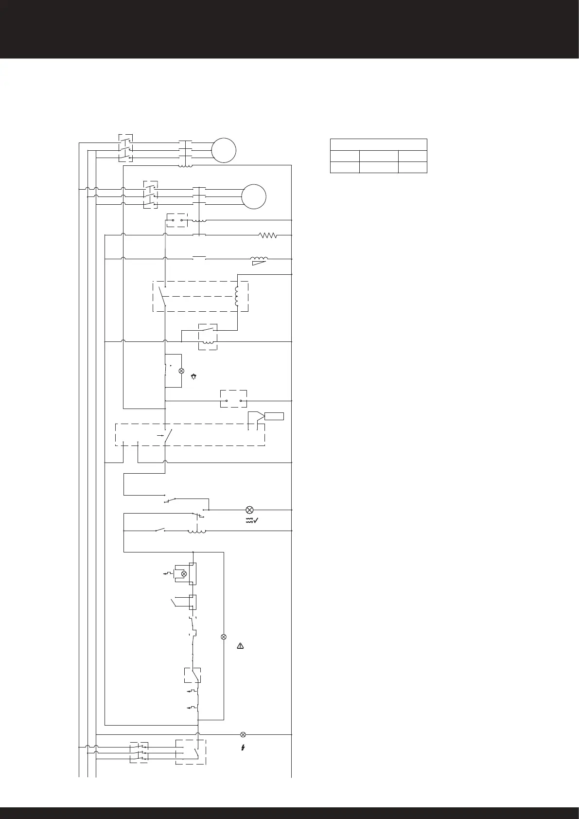
CONTROL
2.5A
MCB SETTINGS
COMPRESSOR FAN
1.1A23.8A
LIQUID LINE SHUT OFF VALVE
FAN CIRCUIT BREAKER
TRIP / OFF = BREAK CONTACT
5
3
1
6 (N/C)
4 (N/C)
2 (N/C)
COMP CIRCUIT BREAKER
TRIP / OFF = BREAK CONTACT
5
3
1
6 (N/C)
4 (N/C)
2 (N/C)
(N/C)
(COM)
C
L
(N/O)
H
(BREAKS TO 'H' ON
TEMP FALLING)
DEFROST
STAT
FAN MCB AUX BLOCK : ALARM
TRIP = BREAK CONTACT
COMPRESSOR MCB AUX BLOCK : ALARM
TRIP = BREAK CONTACT
6 (N/C)
4 (N/C)
2 (N/C)
CONTROL CIRCUIT
BREAKER
5
3
1
TRIP / OFF = BREAK CONTACT
12
(N/C)
L1
L2
L3
11 (COM)
14 (N/O)
PHASE
ROTATION RELAY
MCB CONTACTS / MCB ALARM CONTACTS / MCB AUX CONTACTS SHOWN WITH
CIRCUIT BREAKER MANUALLY SWITCHED TO THE ON CONDITION
WATER FLOW SWITCH CONTACTS SHOWN WITH WATER FLOW AT MAXIMUM RATE
ALL OTHER CONTACTS SHOWN IN DE-ENERGISED STATE BUT WITH REFRIGERATION
CIRCUIT FULLY CHARGED
WHERE CONTACTS ARE MARKED (N/O) OR (N/C) ON CIRCUIT DIAGRAM ABOVE
CONDITIONS APPLY
6 (N/O)
4 (N/O)
2 (N/O)
5
3
1
6 (N/O)
4 (N/O)
2 (N/O)
5
3
1
(COM)
(N/O)
(N/O)(COM)
(N/O)
(COM)
(N/C)
5
(N/C)
(N/C)
H (N/O)
(N/O) L
H (N/C)
A2
A2
A1
A1
2221
(N/C)
(N/C)
TB
TB
FAN THERMAL
CUT OUT
95
96
MAINS LIGHT
L3 L2
L1
STARTER OR
EXTERNAL
FLOW SWITCH
INTERLOCK
TERMINALS
SOFT START
THERMAL O/LOAD
& FAULT LIGHT IF
FITTED
HP SWITCH
(BREAKS TO L ON
PRESSURE RISING)
LP SWITCH
(BREAKS TO H ON
PRESSURE FALLING)
95
96
C (COM)
C (COM)
(N/C) L
FAULT LIGHT
1 (L)
10 11
6
SENSOR
4
OUT 1
DIG STAT 1 STAGE
MAKES 6 TO 4 ON TEMP FALLING
9
8
SMART CLOCK
2 (N)
FEED TERMINALS
NEUTRAL
COMPRESSOR
MOTOR
PROTECTOR
A1
A2
RELAY (R2)
14
11
DEFROST
LIGHT
FAN
CONTACTOR
COMP
(U1)
(V1)
(W1)
HEATER
(NC)
COMP AUX
CONTACTOR
DELAY
TIMER 2
12 HOUR
DELAY TIMER 1
A1
A2
15 18
(N/O)
WATER FLOW SWITCH
A
B
RELAY (R1)
FLOW OK LIGHT
1 (COM)
[STANDBY] (N/C) 3
[RUN] (N/O) 2
STANDBY
SWITCH
(N/O) 4
1 (N/C)
(COM) 7
6463
(NO)
COMP AUX
Pro-Pac 45BM THREE PHASE (400V 3 N~ 50Hz)
16
SD566252 ISSUE 51
PR0-PAC SYSTEM OWNER INSTALLATION MANUAL

Table of Contents

Other manuals for Calorex Pro-Pac 30

Related product manuals