EasyManua.ls Logo

Camus Hydronics DFH/W2000 - Page 84

Camus Hydronics DFH/W2000
90 pages
Print Icon
To Next Page IconTo Next Page
To Next Page IconTo Next Page
To Previous Page IconTo Previous Page
To Previous Page IconTo Previous Page
Loading...
79
93-0195-17
1
1
00
C
KC
BK
Y
BL
R
BK - BLACK
BL - BLUE
BR - BROWN
O - ORANGE
P - PURPLE
R - RED
W - WHITE
Y - YELLOW
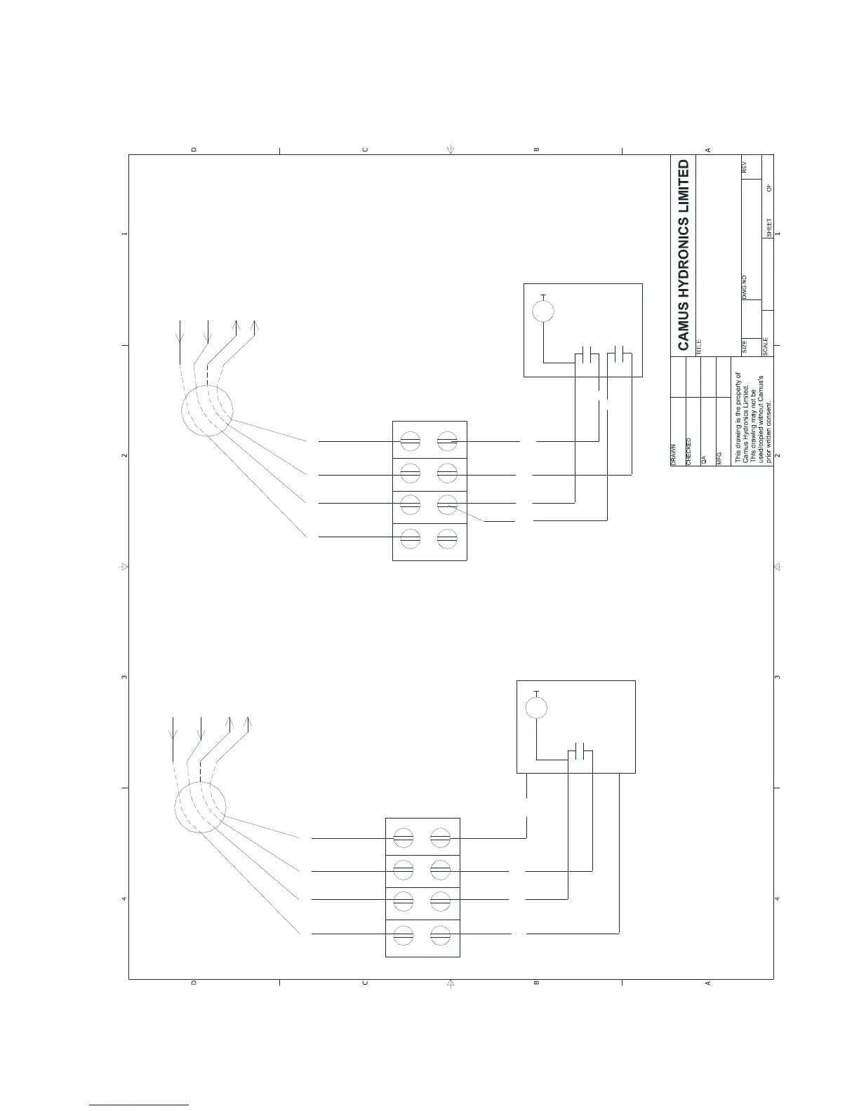
AIR INLET
DAMPER
POWER OPEN
POWER CLOSED
Y
O
BK
BR
R - FROM TERMINAL 8
(CONSTANT POWER)
Spring Return Air Inlet Damper
Connection Detail with
Local/Remote Switch
MOTOR
29/04/2011
AIR INLET
DAMPER
CONNECTION
BK - FROM TERMINAL 6
(CALL FOR HEAT)
BL - PROCEEDS TO IGNITION
Y - TO TERMINAL 1
(COMMON RETURN)
CONTROL BOX TERMINALS
BK
Y
BL
R
AIR INLET
DAMPER
POWER OPEN
SPRING RETURN
CLOSED
RY
R - FROM TERMINAL 8
(CONSTANT POWER)
MOTOR
AIR INLET
DAMPER
CONNECTION
BK - FROM TERMINAL 6
(CALL FOR HEAT)
BL - PROCEEDS TO IGNITION
Y - TO TERMINAL 1
(COMMON RETURN)
CONTROL BOX TERMINALS
END
SWITCH
R
Y
R
Y
EFFIKAL AIR INLET DAMPER SCHEMATIC
FAMCO AIR INLET DAMPERSCHEMATIC

Table of Contents

Related product manuals