EasyManua.ls Logo

Camus Hydronics Dynaforce Series - Page 78

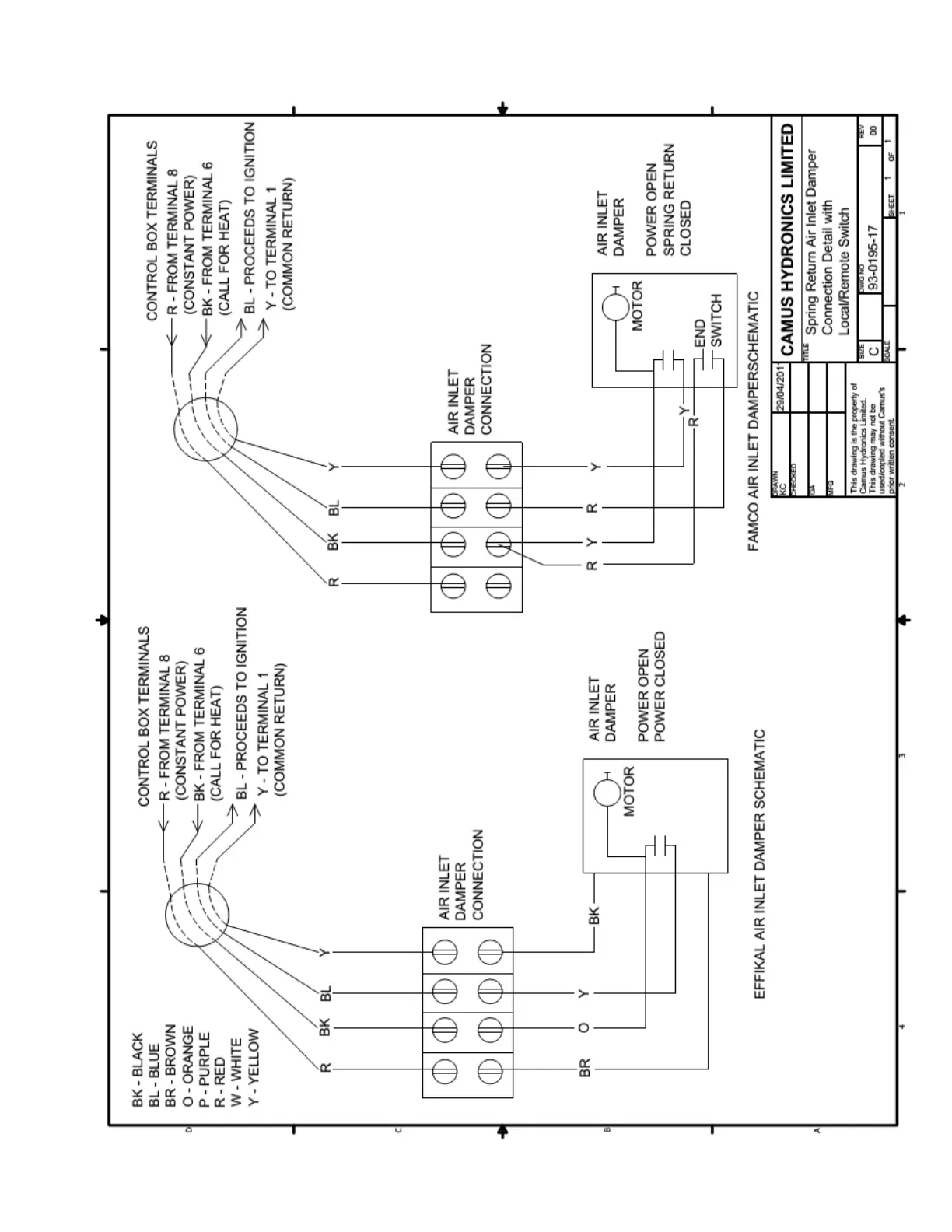
Camus Hydronics Dynaforce Series
82 pages
Print Icon
To Next Page IconTo Next Page
To Next Page IconTo Next Page
To Previous Page IconTo Previous Page
To Previous Page IconTo Previous Page
Loading...
78

Table of Contents

Related product manuals