EasyManua.ls Logo

Carel uChiller UCHBP00000200

Carel uChiller UCHBP00000200
108 pages
To Next Page IconTo Next Page
To Next Page IconTo Next Page
To Previous Page IconTo Previous Page
To Previous Page IconTo Previous Page
Loading...
28
ENG
µchiller +0300053EN rel. 2.2 - 14.12.2021
Installation
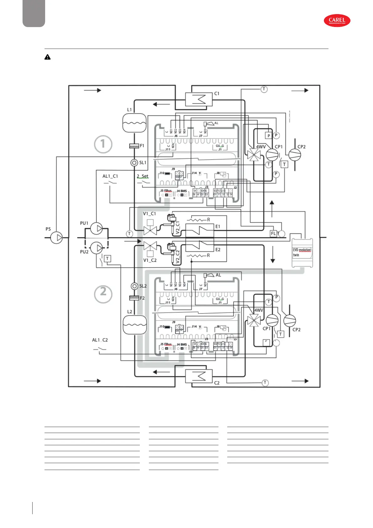
2.13.4 Chiller/water-to-water heat pump, On/O compressors and bipolar ExV expan-
sion valve
Important: The black lines refer to the electrical connections, the grey lines the serial connections between controller
and options (I/O expansion for the second circuit, EVD EVO and Power+).
Fig. 2.y
Ref. Description Ref. Description Ref. Description
C1/C2 Condenser 1/2 SL1/2 Liquid sightglass 1/2 4WV Reversing valve
E1/E2 Evaporator 1/2 F1/2 Filter-drier 1/2 P Pressure probe/pressure switch
V1_C1 Solenoid valve circuit 1 FL Flow switch AL Alarm
V1_C2 Solenoid valve circuit 2 CP1/2 Compressor 1/2 T Temperature probe/thermostat
V2_C1 Electronic expansion valve circuit 1 PU1/2 User pump 1/2 L1/2 Liquid receiver 1/2
V2_C2 Electronic expansion valve circuit 2 PS Source pump AL1_C1/2 Remote alarm circuit 1/2
R1/2 Frost protection heater 2_Set 2nd set point
Tab. 2.aq
Circuit 1
Circuit 2

Related product manuals