EasyManua.ls Logo

Carlin 201CRD - 60200 Primary Control

Carlin 201CRD
28 pages
Print Icon
To Next Page IconTo Next Page
To Next Page IconTo Next Page
To Previous Page IconTo Previous Page
To Previous Page IconTo Previous Page
Loading...
Model 201CRD & 301CRD Advanced oil burners — Instruction manual
Carlin part number MN2301 Rev. 04/12/04
– 20
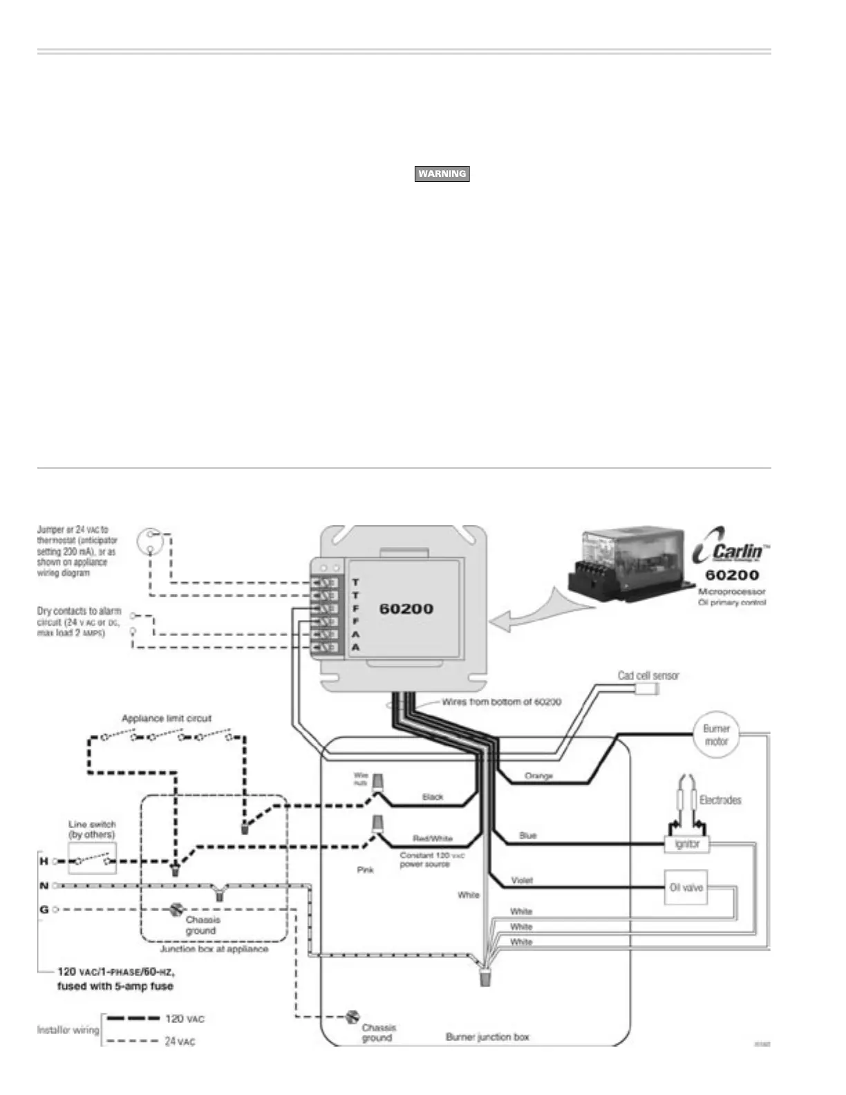
Figure 21 201CRD and 301CRD burners wiring using Carlin 60200 primary control (see appliance manual or separate wiring information
for burner equipped with a primary control not covered in this manual)
4. Wire burner • start burner — 60200 primary control
Wire burner — 60200 primary control
1. All wiring must comply with:
In the U.S — the National Electrical Code, ANSI Z223.1/NFPA 54.
In Canada — the Canadian Electrical Code Part 1, CSA standard C22.1.
All applicable local codes/standards.
2. Wire the burner following Figure 21 and any special instructions or wiring
diagram provided with the appliance, burner or other components.
3. The burner requires a 120 VAC/60 hz/single-phase power supply, with a 5-amp
fuse. The current draw (equipped with Carlin PSC motor) will be approximately
3.2 amps.
4. The 60200 thermostat terminals provide a 200ma for thermostat power source.
Never apply external power to these terminals under any circumstances. To
avoid this problem when using zone valves, disconnect field wires from 60200
thermostat terminals. Then connect a voltmeter across terminals. Operate all
zones and verify that there is never a voltage reading at the meter. A voltage
reading indicates incorrect wiring that must be corrected before attempting to
operate the burner.
5. Alarm terminals provide a 24 vac-rated dry contact, suitable for use with
security/fire alarm systems such as Carlin SecureHeat™.
6. Make sure the burner and appliance are correctly wired and the line switch is
properly fused for the load.
To start burner
Do not start the burner if the combustion chamber contains
oil or oil vapor.
1. Turn service switch OFF.
2. Perform inspections and checkouts on pages 20 and 21.
3. Slip one end of a 3/16-inch I.D. clear plastic hose over end of bleed valve, the
other end into a container. Then open bleed valve.
4. Set thermostat (operating controls) to call for heat.
5. Turn service switch ON.
6. Bleed oil line until plastic line is free of bubbles; then another 15 seconds longer.
(Should the primary control timing cause a lockout during purging, restart the
burner following the primary control data sheet instructions.)
7. Close bleed valve. The burner should cycle through the sequence given in the
primary control data sheet.
8. Perform primary control flame failure lockout and safety timing tests per instruc-
tions in primary control data sheet.
9. Should control/burner fail to operate correctly, see page 21 for suggestions in
troubleshooting.

Related product manuals