EasyManua.ls Logo

Carlisle BINKS E4-100 - Page 14

Carlisle BINKS E4-100
36 pages
Print Icon
To Next Page IconTo Next Page
To Next Page IconTo Next Page
To Previous Page IconTo Previous Page
To Previous Page IconTo Previous Page
Loading...
EN
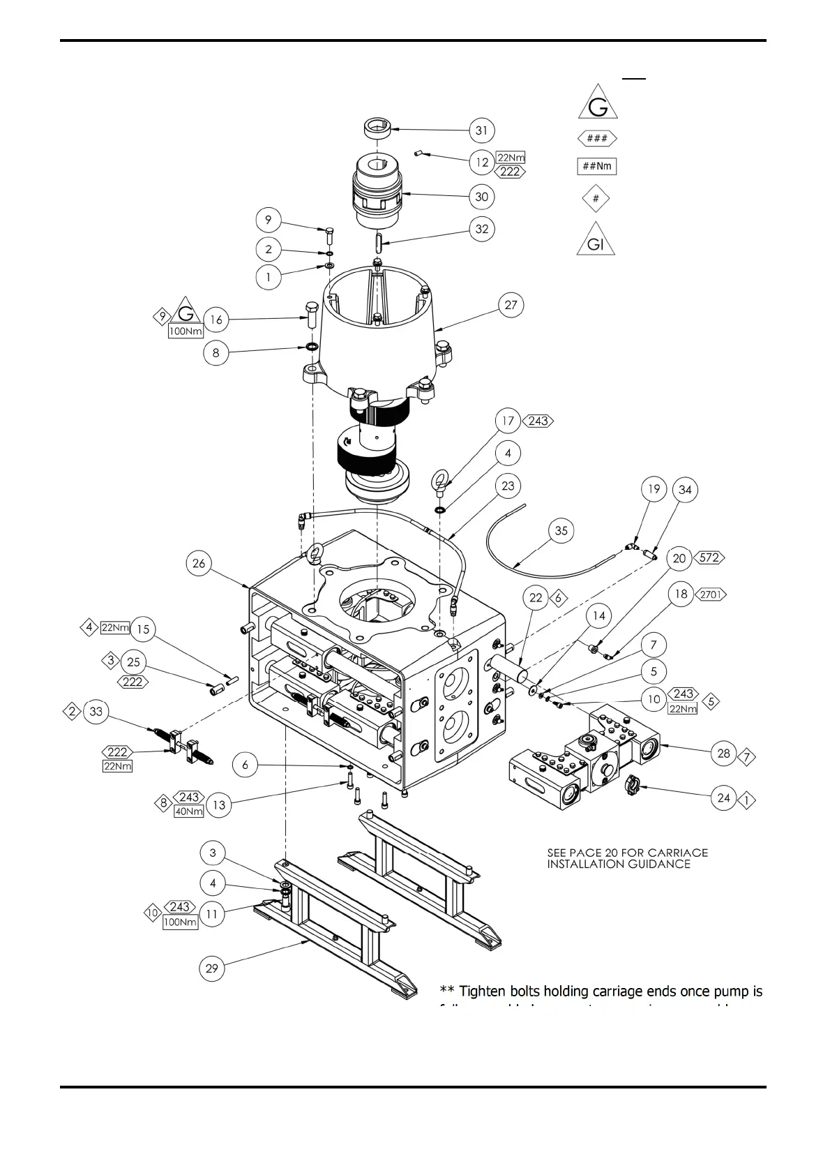
** Tighten bolts holding carriage ends once pump is
fully assembled - see note on carriage assembly
drawing
(Reverse for assembly)
MAINTENANCE ORDER
GREASE INTERNAL
(AGMD-010)
KEY
LOCTITE
TORQUE
GREASE
77-3330 R1.3 14/36 www.carlisleft.com

Related product manuals