EasyManua.ls Logo

Carrier 40RM007-034 - Drain Pan Slope Adjustment; Condensate Drain; Fan Motors and Drives

Carrier 40RM007-034
48 pages
To Next Page IconTo Next Page
To Next Page IconTo Next Page
To Previous Page IconTo Previous Page
To Previous Page IconTo Previous Page
Loading...
20
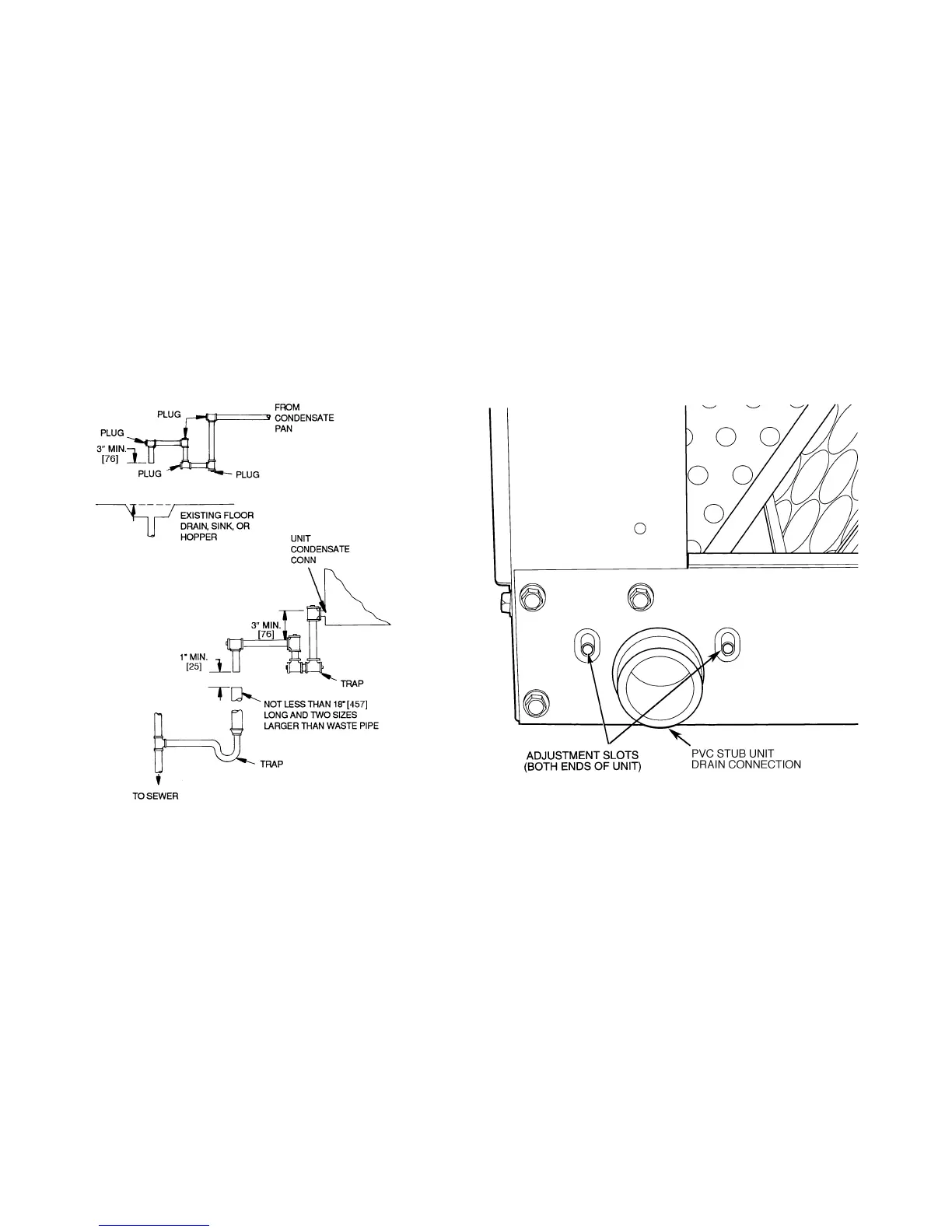
Condensate Drain Install a trapped condensate drain
line to unit connection as shown in Fig. 13. The unit drain con-
nection is a PVC stub. See Fig. 14. Some areas may require an
adapter to connect to either galvanized steel or copper pipe.
For these applications, install a field-supplied threaded PVC
adapter.
NOTE: A trap must be installed in the condensate drain line to
ensure that the static pressure of fans is balanced with the
water column in the drain line and that condensate can drain
completely from pan. Without a trap, air can be drawn up drain
line until water level in condensate pan becomes equal to static
pressure created by fans, preventing complete drainage. Condi-
tions will worsen as filters become dirty.
Install clean-out plugs in trap. Pitch drain line downward to
an open floor drain or sump. Provide service clearance around
drain line to permit removal of unit panels. Observe all local
sanitary codes.
As shipped, the unit’s condensate drain pan is NOT sloped
towards the drain connection. The pan slope must be changed
to pitch towards the side of the unit with the drain connection.
See Fig. 14. Loosen the 2 screws next to the drain outlet at both
ends of the unit, push drain pan down in the slots near the drain
connection, and up in the slots on the opposite end. Retighten
screws. The pan should have a pitch of at least
1
/
4
-in. over its
length toward the drain connection.
Fan Motors and Drives Motor and drive packages
are factory installed in all units. The standard motor and drive
packages consist of the following items:
1—fanmotor
1 adjustable motor pulley
1—fanpulley
1 fan belt (40RM007-012, 40RMQ008-012,
40RMS008-012 units)
2 matched fan belts (40RM014-034, 40RMS014-034,
40RMQ014-028 units)
For instructions on changing fan rotation, changing drive
speeds and adjusting drives, see Pulley and Drive Adjustment
in the Service section.
OTE: Dimensions in [ ] are in millimeters.
Fig. 13 Condensate Drains
Fig. 14 Drain Pan Slope Adjustment

Table of Contents

Related product manuals