EasyManua.ls Logo

Case CX160 - Page 104

Case CX160
273 pages
Print Icon
To Next Page IconTo Next Page
To Next Page IconTo Next Page
To Previous Page IconTo Previous Page
To Previous Page IconTo Previous Page
Loading...
ELECTRICAL
4 - 7
CX EXCAVATORS
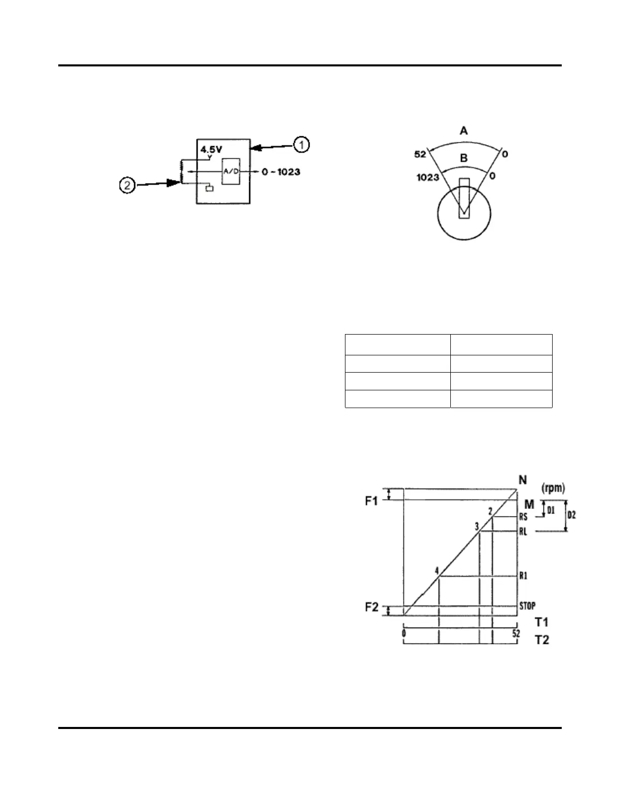
RPM CONTROL
A. Degree
B. Pulse
1. Computer
2. Throttle control
F1 Spring deflection range
F2 Spring deflection range
M Full
N Engine revolution (rpm)
T1 Throttle motor (angle)
T2 Throttle motor (pulse)
FULL: H MODE MAX Revolutions
RS : S MODE MAX Revolutions
RL : L MODE MAX Revolutions
RI : IDLE Revolutions
CX130/CX160
D1 - 200
D2 - 300
R1 1050
0
PI 600 PL PS

Table of Contents

Related product manuals