EasyManua.ls Logo

Case CX160 - Cushion ( on; off )

Case CX160
273 pages
Print Icon
To Next Page IconTo Next Page
To Next Page IconTo Next Page
To Previous Page IconTo Previous Page
To Previous Page IconTo Previous Page
Loading...
ELECTRICAL
4 - 33
CX EXCAVATORS
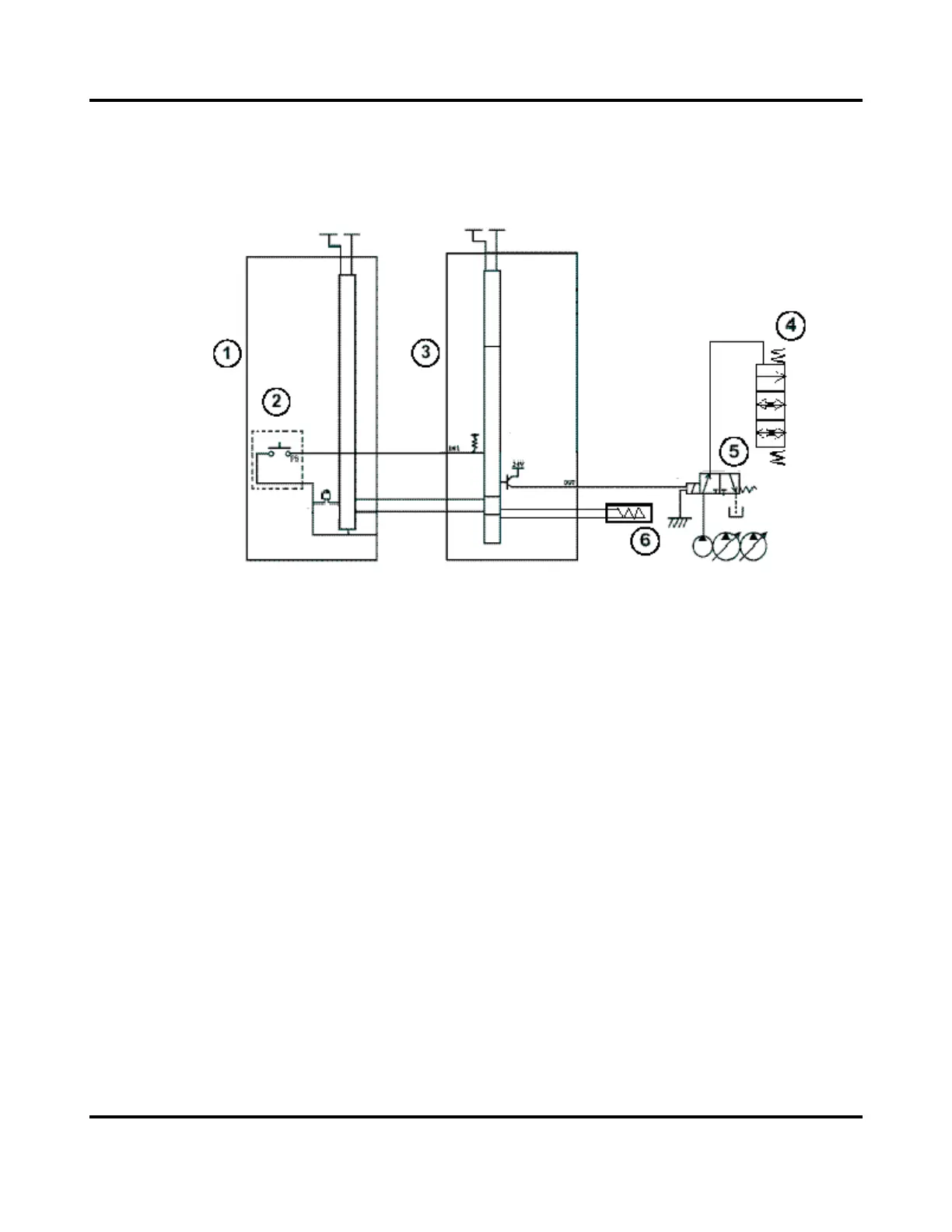
CUSHION OFF
Circuit Configuration
1. Instrument Panel
2. Cushion switch
3. Main controller
4. Cushion valve
5. Cushion solenoid
6. RPM sensor

Table of Contents

Related product manuals