EasyManua.ls Logo

Case CX160 - Boom Raise

Case CX160
273 pages
Print Icon
To Next Page IconTo Next Page
To Next Page IconTo Next Page
To Previous Page IconTo Previous Page
To Previous Page IconTo Previous Page
Loading...
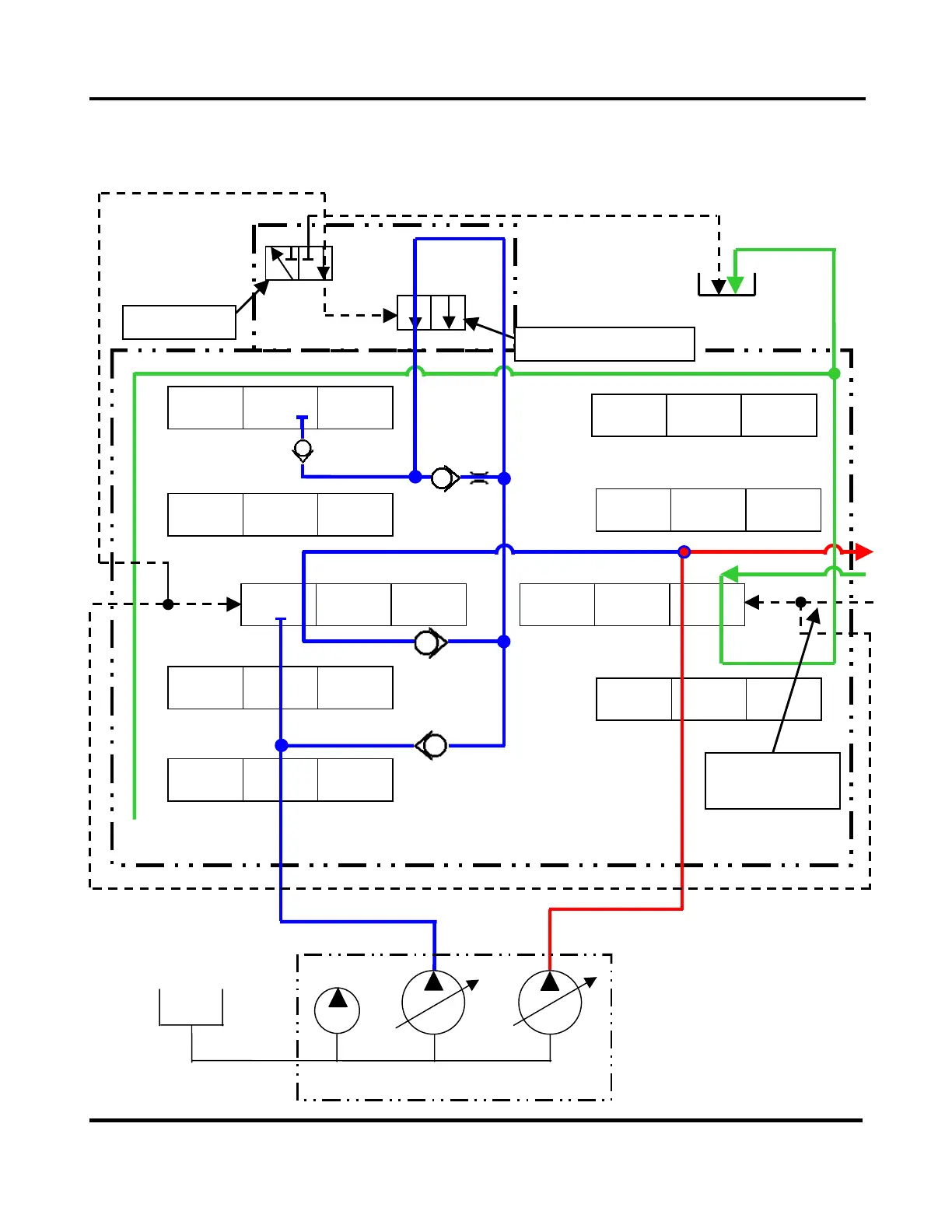
HYDRAULICS – CX130/CX160
5 - 25
CX EXCAVATORS
BOOM RAISE
Arm1
Option
Arm2
Bucket
Boom2
Swing
Boom1
Travel
Travel
)
(
W
W
Cut Valve
Swing Priority Valve
Pilot Oil from
hand control
P1P2PP

Table of Contents

Related product manuals