EasyManua.ls Logo

Case CX160 - Power Boost

Case CX160
273 pages
Print Icon
To Next Page IconTo Next Page
To Next Page IconTo Next Page
To Previous Page IconTo Previous Page
To Previous Page IconTo Previous Page
Loading...
ELECTRICAL
4 - 27
CX EXCAVATORS
POWER BOOST
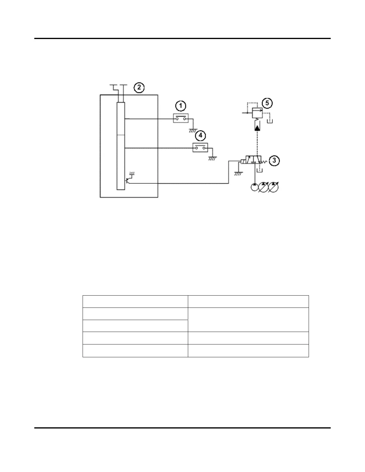
Circuit Configuration
1. Power boost switch
2. Main Controller
3. Power boost solenoid valve
4. Travel pilot pressure switch
5. Main relief valve
Pressure increase in each work mode
CX130/CX160
H MODE
S MODE
4970 5260 psi (8 seconds)
L MODE
4970 5260 (constant)
AUTO MODE
4970 5260 (8 seconds)

Table of Contents

Related product manuals