EasyManua.ls Logo

Case CX160 - Cx210;Cx240

Case CX160
273 pages
Print Icon
To Next Page IconTo Next Page
To Next Page IconTo Next Page
To Previous Page IconTo Previous Page
To Previous Page IconTo Previous Page
Loading...
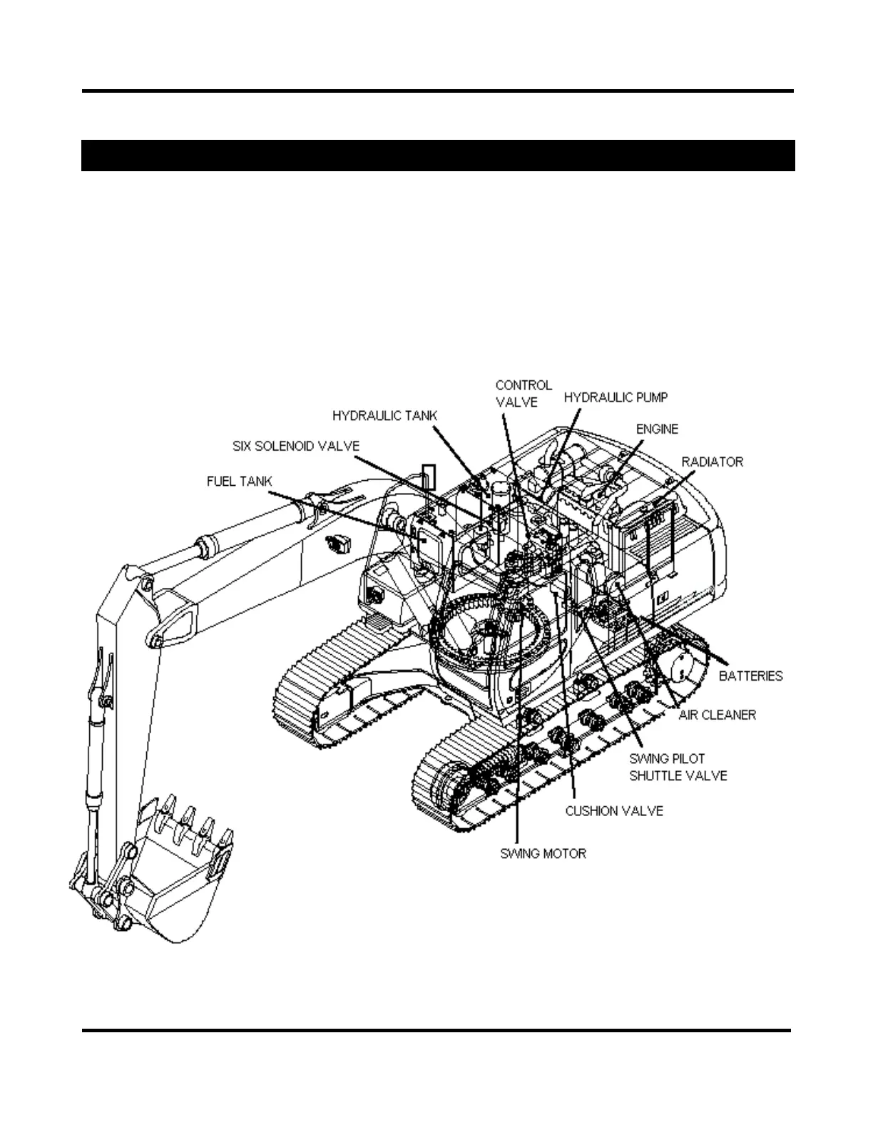
COMPONENT LOCATIONS
2 - 3
CX EXCAVATORS
MAIN COMPONENTS
CX210 / CX240
The CX210 / CX240 could be considered sister machines because they are so similar.
Electrically they are identical. Hydraulically the components are the same except for greater
flow rates required by larger machines.

Table of Contents

Related product manuals