EasyManua.ls Logo

Case CX160 - Page 114

Case CX160
273 pages
Print Icon
To Next Page IconTo Next Page
To Next Page IconTo Next Page
To Previous Page IconTo Previous Page
To Previous Page IconTo Previous Page
Loading...
ELECTRICAL
4 - 17
CX EXCAVATORS
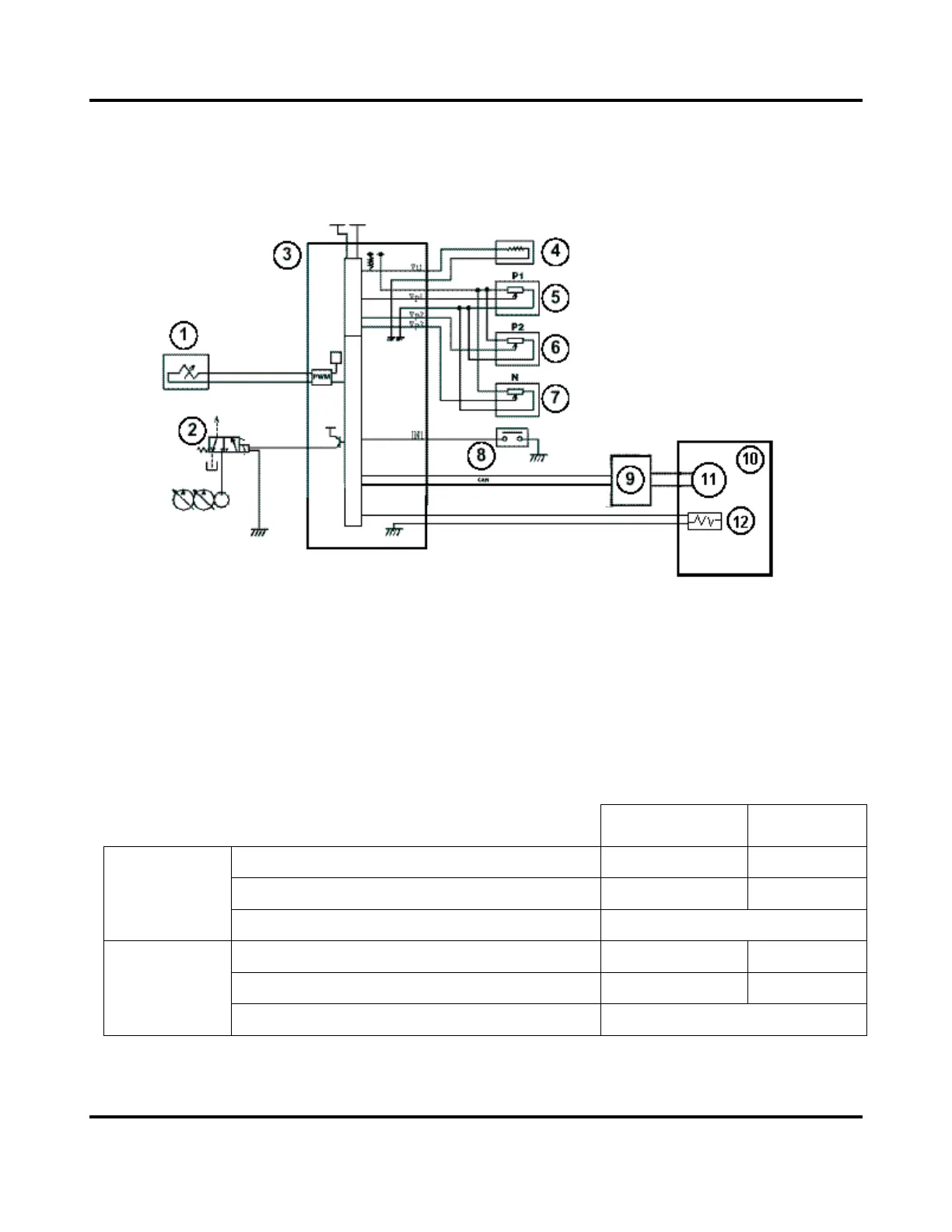
RPM CONTROL
Circuit Configuration
1. Proportional solenoid
2. Power Boost solenoid
3. Main controller
4. Hydraulic oil temperature sender
5. Pump1 pressure transducer
6. Pump2 pressure transducer
7. De-stroke signal transducer
8. Travel pressure switch
9. Throttle driver
10. Engine
11. Throttle motor
12. Coolant temperature sender
CX130 CX160
Engine rpm (max) 2270 ± 10 2270 ± 10
mA Current (equal to S mode + 40mA) 590mA 550mA
S
A
MODE
Power Boost One-Touch
Engine rpm (max) 2170 ± 10 2170 ± 10
mA Current (equal to S mode) 550mA 510mA
L
A
MODE
Power Boost One-Touch

Table of Contents

Related product manuals